- SIGNA MR355 / SIGNA MR360
- Service Manual
- 5856356-3EN Revision 5.0
- Basic Service Documentation. Copyright General Electric Company.
- 00000018WIA309CBF20GYZ
- id_131074051.1
- Jul 5, 2019 11:49:11 PM
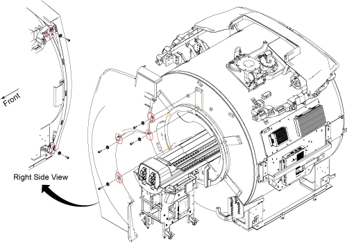
Rear Cover
Prerequisites
| Required persons | Preliminary requirements | Procedure | Finalization |
|---|---|---|---|
| 1 | Not Applicable | 15 minutes | Not Applicable |
| Item | Quantity | Effectivity | Part number | Manufacturer |
|---|---|---|---|---|
| Non ferrous Standard Tool | 1 | - | - | - |
| ||||
Procedure
Finalization
No finalization steps.


