• SIGNA™ Hero 3.0T Service Methods
  • 5852800-8EN Revision 1.0
  • Object ID: 00000018WIA309BC230GYZ
  • Topic ID: id_15667406 Version: 1.11
  • Date: Jul 13, 2021 4:27:36 PM

SSSA Replacement

Prerequisites

Table 1. Personnel requirements
Required personsPreliminary requirementsProcedureFinalization
1Not Applicable90 minutes30 minutes
Table 2. Tools and test equipment
ItemQuantityEffectivityPart numberManufacturer
Standard Tool1---
Ladder1---
Hoist Service Kit1-

5196226

-
Table 3. Replacement parts
ItemQuantityEffectivityPart numberManufacturer
SSSA 1-

Refer to FRU Manual

-
Table 4. Safety
Table 5. Required conditions
ConditionReferenceEffectivity

System Power must be turned OFF. Refer to Lockout / Tagout for ISC.

--

Procedure

  1. Confirm that there is no input voltage at the terminal of SSSPS using DVM.
    Figure 1. Voltage Check
  2. Remove left front cover per following steps.
    1. Open left front cover and remove a screw to disconnect GND cable.
    2. Unlock the cover.
    3. Lift up and remove the cover.
    Figure 2. Cover removal
    Note: If the service area is narrow, do the same for right front cover.
  3. Perform the following steps.
    1. Disconnect two connectors.
    2. Remove six screws.
    3. Remove Leak sensor assy.
    Figure 3. Remove Leak Sensor
  4. Drain the coolant. Refer to Draining Operation before replacing RF Amp, SSSA, or SSSPS.
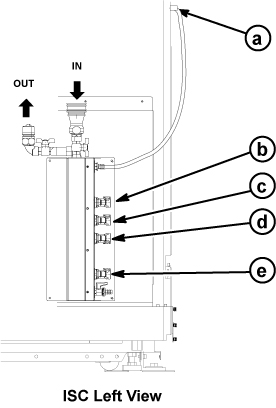
  5. Disconnect the IN and OUT quick couplers of corresponding SSSA from the water manifold.
    Figure 4. Water Manifold Socket Order
    aRF Amp
    bSSSA (X)
    cSSSPS
    dSSSA (Y)
    eSSSA (Z)
  6. Connect the IN and OUT of quick coupler, and tie the hose as illustration.
    Figure 5. Water Manifold
  7. Set the Universal Lift Hoist onto SC top. Refer to Hoist Setup.
  8. Disconnect cables and Loosen 4 screws from SSSA.
    1. Disconnect the all connectors and terminals from front panel of SSSA.
    2. Loosen 4 screws tightening SSSA front panel to the chassis.
    3. Withdraw SSSA from the chassis.
    Figure 6. SSSA Front
  9. Install the hoist brackets to the chassis of SSSA with 6 screws.
    Note: Hoist Bracket is stored in FRU box.
    Figure 7. Hoist Brackets Installation
  10. Perform the following steps.
    1. Hook the winch and spreader bar from the hoist kit to the lifting bracket named “SSSA WITH FILTER”
    2. Ratchet the winch to tighten the chain.
    3. Press the release tabs in on each side and remove the 2nd slide rail from 1st slide rail.
    Figure 8. Hoist Operation
  11. Push the rail slider into the system cabinet before lowering SSSA.
  12. Use the hoist and slowly lower the SSSA Chassis to the floor.
    Note: When lowering the SSSA Chassis, it may be easier to rotate SSSA 90 degree as following illustration.

  13. Remove the two hoist brackets from SSSA chassis.
  14. Install SSSA by the reverse order of the removal.
    Note: Make sure to connect all cables and hoses.
  15. Restore ISC.

Finalization

  1. Set the RF Amp Breaker to OFF Position.
    Figure 9. RF Amp Breaker OFF
  2. Restore the System power. Refer to Removing LOTO - ISC.
  3. Wait till pressure meter (black meter) of CCU moves for about 40 seconds.
    Figure 10. Pressure meter
  4. Turn the RF Amp Breaker ON
    Figure 11. RF Amp Breaker ON
  5. Refill Coolant. Refer to Refill Coolant .
  6. To adjust DC Offsets, refer to DC Offset Adjustment.
  7. Perform [TPS Reset].
  8. Perform DQA Tool.