- SIGNA™ Hero 3.0T Service Methods
- 5852800-8EN Revision 1.0
- Object ID: 00000018WIA308DB230GYZ
- Topic ID: id_15667544 Version: 1.9
- Date: Jul 13, 2021 4:27:36 PM
GCU Replacement
Prerequisites
| Required persons | Preliminary requirements | Procedure | Finalization |
|---|---|---|---|
| 1 | Not Applicable | 90 minutes | 15 minutes |
| Item | Quantity | Effectivity | Part number | Manufacturer |
|---|---|---|---|---|
| Standard Tool | 1 | - | - | - |
| 20L Draining Tank | 3 | - | - | - |
| Water Hand Pump | 1 | - | - | - |
| 150MM FUNNEL | 1 | - | - | - |
| Hoist Service Kit | - | - |
5196226 | - |
| Flexible Water Tank (In System) | 1 | - |
5342981 | - |
| Item | Quantity | Effectivity | Part number | Manufacturer |
|---|---|---|---|---|
| Towels | NA | - | - | - |
| Item | Quantity | Effectivity | Part number | Manufacturer |
|---|---|---|---|---|
| GCU | 1 | - |
Refer to FRU Manual | - |
| ||||
| Condition | Reference | Effectivity |
|---|---|---|
|
ICC facility water valve will be turned off. Check the hospital facility chiller valve integrity to avoid the excessive loads on the facility water pumps and lines. | - | - |
|
ISC Power must be turned OFF. Refer to Lockout / Tagout for ISC. | - | - |
Procedure
- Release the bands from the shipping base, flip the slide plate, and slide the FRU Box.
Figure 1. Slide GCU FRU Box 
- Open GCU FRU Box, turn the top cover upside down.
Figure 2. Open GCU FRU Box 
- Open ICC Cover and remove it.
Figure 3. Remove cover 
- Confirm that ISC power is off and LOTO is performed. Then, check the followings.
- GCU/CCU pressure meter (black meter) is at zero.
- ICC Control Unit TCU display is OFF.
Figure 4. Confirmation 
- Turn off the F50 Power.
- Turn off the “Drive Switch”.
- Turn off the “Main Power Switch”.
Figure 5. F50 Power OFF 
- Shutdown Chiller or open bypass loop per hospital facility chiller valve integrity.
Turn OFF the supply and return valves for Facility Water in FPU.Notice Close the facility water valve for ICC for safe operation.Figure 6. Turn off valves for facility water 
- Drain the supply water to release the water pressure per following steps.
- Connect the hose to drain port of water supply.
- Insert the other side of hose into the flexible tank.
- Open valve and check that the pressure meter becomes zero.
- Close the valve and remove the hose.
Figure 7. Drain the supply water 
- Drain the coolant in GCU Tank.
- Unscrew the cap from the GCU tank.
- Prepare two 20L Draining Tanks and draining hose with L connector.
- Insert L connector to the tank draining nipple. The valve inside will open auto-matically by connecting the mating connector and draining will start.
- When the coolant fills Tank to half full (about 4 minutes), remove the L connector once and replace the Tank. Then, connect the L connector to nipple to restart the draining.
- Wait until the draining stops from the hose. (Total time about 10 minutes for two tanks).
Figure 8. Draining for the Tank 
- Drain the coolant in GCU Pump.
- Prepare 20L Draining Tank and draining hose with coupling nut.
- Connect the hose connector to the pump draining nipple.
- Open the valve and draining will start.
- Wait until the draining stops from the hose. (Minimal coolant in the pump.)
- Close the valve which is opened in step c.
Figure 9. Draining for the Pump 
- Loosen screws around the ICC rear cover and remove the ICC rear cover by lifting up a little.Note: If there is any difficulty to remove the cover, remove screws.
Figure 10. ICC Rear Cover removal 
At Scan Room, fold and bind each GCU hoses using tie wrap to prevent from draining.Notice
Water Spill Notice!Quick disconnect connector for GCU does not have auto shutoff valve.Fold and bind each GCU hoses using tie wraps to prevent coolant spill.Figure 11. Fold hoses 
- Hold the towel by one hand under the hose and disconnect hose connectors of GCU. Then, connect the hoses together until you hear the click sound.
Figure 12. GCU Hoses at pen panel
Note: Here is the tips how to connect the quick disconnect for VRMw.-
Pull the coupler grip.
-
Insert the male connector.
-
Push both connectors together until you hear the click sound.
Figure 13. Quick Disconnect tips 
-
- Disconnect the Blue Quick Disconnect hoses for GCU and CCU.Note: CCU connectors are removed since they prevent the GCU from being slid out.Note: When disconnecting the Blue Quick Disconnect hoses, disconnect quickly to avoid excessive spilling of coolant
Figure 14. Quick Disconnect Hoses 
- Disconnect 2X1 and 2X11 Cables from Control Unit.
Figure 15. Cables at Control Unit 
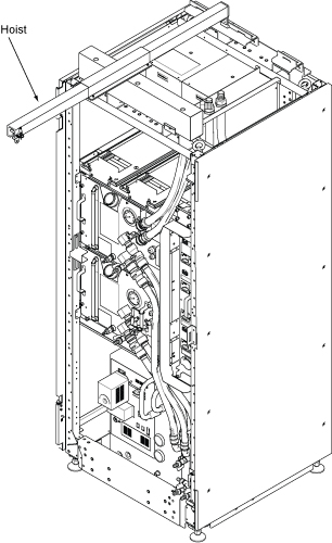
- Setup Hoist. Refer to Hoist Setup.
Figure 16. Setup Hoist 
- Place FRU Box top cover in front of the ICC.
- Loosen four screws and carefully withdraw GCU from the chassis.Note: Before withdrawing the GCU, lift up the stopper.
Figure 17. Stopper 
Figure 18. Withdraw GCU 
- Attach the lifting brackets to both sides of the GCU. The lifting brackets can be found in the GCU FRU crate.
Figure 19. Lifting Brackets 
- Hook the winch and spreader bar from the hoist kit to the lifting bracket.
- Note: Make sure the hook is seated in the lifting bracket. If not, the weight can shift causing harm to the equipment or engineer.Ratchet the winch to tighten the chain.
Figure 20. Ratchet 
- Press the release tabs in on each side and remove the 2nd slide rail from 1st slide rail on GCU.
- Push the rail slider into the cabinet before lowering GCU.
Figure 21. Push Rails 
- Use the hoist and slowly lower the GCU Chassis to the top FRU Box.
Figure 22. Lower GCU 
- Remove the slide rails from GCU.
Figure 23. Remove slide rails 
- Slightly lift up the GCU, rotate the FRU top cover by 90 degree, and lower the GCU into the FRU Box.
Figure 24. GCU into the FRU Box 
- Remove lifting brackets and attach them to the top of new GCU.
- Move the new FRU in front of ICC.
- Using Hoist, slightly lift up new FRU, rotate the box by 90 degree, and install slide rails.
Restore the GCU by reverse order of removal.CAUTION
Pinch Hazard!Slowly and carefully slide and restore GCU to the ICC not to pinch the finger between GCU and ICC.- Restore all hoses.Note: Hold the towel under the hose when restoring the hoses.Note: Do not forget to restore the VRMw Hoses
Figure 25. Restore hoses
Note: Here is the tips how to connect the quick disconnect for VRMw.-
Pull the coupler grip.
-
Insert the male connector into the coupler.
-
Push both connectors together until you hear the click sound.
-
- Restore all cables.
- Open valve for Facility water.
Figure 26. Open Valve 
- Restart Chiller or close bypass loop for ICC facility water supply per hospital facility chiller valve integrity.
- Transfer the coolant to the other empty tank using funnel about 3~4L (1 gallon or so) for one hand operation.
Figure 27. Transfer Coolant 
- Turn OFF the following sub breakers at ISC PDU in following order for safe refill operation.
- RF Amp OFF (First rotation of refill only. Skip from second rotation.)
- Gradient OFF (First rotation of refill only. Skip from second rotation.)
- System Cooling OFF.
Figure 28. Turn OFF sub breakers 
- Remove LOTO. Refer to Section 4.5 in Removing LOTO - ISC. (First rotation of refill only. Skip from second rotation.)
- Refill the coolant per following steps.
- Remove cap of GCU tank. Then, insert the tank funnel extension and funnel into the opening on top of the tank. (For first rotation of refill only. Skip from second rotation.)
Pour the coolant into the funnel to fill the tank so that it will be within green level.Notice When restoring the coolant from the tank, special care needs to be taken not to spill over the machine or floor.Note: Use the tank with 3~4 L (1 gallon) coolant for refill. If it becomes empty, refill the coolant.- Turn on the “System Cooling” sub breaker at ISC.
- Wait for about 30 seconds and check the following conditions. If not, continue from Step 35 to Step 38.Note: Water level in the tank will reduce after the first several pump operations and coolant can be refilled.
Confirm the following bullets
-
No leakage at hose connections.
-
Indicator “5” of TCU is shown.
-
GCU pressure meter is in between 4.5 and 6.9 bar.
-
All drained coolant is restored into the tank.
-
-
(For ICC with vent valve with transparent hose Only) Pace the plastic bag under transparent hose.Note: Vent valve with transparent hose is removed from GCU/CCU after end of Q4, 2017 per VCP with engineering analysis. No operation is needed if not exist.
Then, turn the vent valve using square section key by 3 turns and wait for 10 seconds.
Then, close the venting valve. By doing this, the air bubbles in the pump are vented away.
Note: There is a case that nothing comes out from the transparent hose - Remove funnel and extender. Then, restore cap to GCU.
Figure 29. Refill 
- Turn on the “Gradient” and “RF Amp” sub breaker at ISC.
- Turn on F-50 power.
- Turn on the “Main Power Switch”.
- Turn on the “Drive Switch”.
- Check that GCU is correctly running and there is no leakage from hoses connected to GCU.
Finalization
- Perform check scan.
- Disassemble the hoist kit and restore it to the stored location.
- Package the FRU Box crate including the defective part and return.