- Discovery MR750w and SIGNA™ Architect T 3.0T System Service Methods
- 5690002-2EN Revision 4
- 00000018WIA30200130GYZ
- id_123739271.18
- Oct 11, 2021 3:47:41 PM
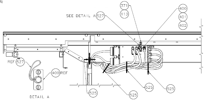
Patient Table Cable Take-up and GEM MUX Box Replacement
Prerequisites
| Required persons | Preliminary requirements | Procedure | Finalization |
|---|---|---|---|
| 1 | Not Applicable | 120 minutes for any non-GEM cable track; 120 minutes for P3 ODU to MUX (GEM only); 400 minutes for PA to MUX (GEM only); 220 minutes for P2 or P4 (GEM only) | Not Applicable |
| Item | Quantity | Effectivity | Part number | Manufacturer |
|---|---|---|---|---|
| Phillips screwdriver | 1 | - | - | - |
| Flat head screwdriver | 1 | - | - | - |
| Standard Allen wrench set | 1 | - | - | - |
| Small flat head screwdriver with long shaft | 1 | - | - | - |
| Pliers | 1 | - | - | - |
| 2 x 4 x 10 in (5 x 10 x 25 cm) block of wood (or similar non-ferrous material) | 2 | - | - | - |
| Standard wrench set | 1 | - | - | - |
| Non-ferrous Phillips screwdriver | 1 | - | - | - |
| MCRv Tool Kit (3.0T) | 1 | - |
5182417-2 | - |
| Item | Quantity | Effectivity | Part number | Manufacturer |
|---|---|---|---|---|
| Loctite 242 | 0.5 cc | - |
46-170686P1 | - |
| Material handling gloves | 1 pair | - | - | - |
| Item | Quantity | Effectivity | Part number | Manufacturer |
|---|---|---|---|---|
| 3.0T PA MUX Box Assembly with Cable (PA to MUX) or 3.0T PA MUX Box Assembly with Swapped Cable | 1 | - |
See FRU Manual | - |
| 3.0T Touch & Go PA GEM Coil Table Harness (P3 ODU to MUX) | 1 | - |
See FRU Manual | - |
| 3.0T P2 Table Side Docking Connector with Replacement Track Lids (P2 ODU to P2) | 1 | - |
See FRU Manual | - |
| 3.0T P4 Table Side Docking Connector with Replacement Track Lids (P4 ODU to P4) | 1 | - |
See FRU Manual | - |
| ||||||||
About this task
Overview
This procedure describes the replacement of the patient table cable take-up from:
-
The P-port connection to the table ODU connector
-
The PA coil to the multiplexer (MUX)
-
The MUX to the ODU connector
The new rev tables introduced in 2017 come with an additional line from the P-ports through the cable track assembly, Mux and then to the Dock connector. This additional line is used only on systems that have the MEMS power supply (systems that have DPP receivers).
The Cable Track Assembly FRU will automatically change up to the one that supports the MEMS Table as and when the Legacy part stock goes down.
The legacy cable track assembly should not be replaced on a table that supports MEMS.
The MUX Box FRU will also change to support the MEMS feature.

This instruction contains the following procedures:
Replacing P2 or P4 Patient Table Cable Take-Up for GEM Table With or Without MEMS Support
Procedure
Replacing GEM Table PA Multiplexer Box Assembly
Procedure
Replacing GEM Table P3 ODU to PA Multiplexer
Procedure
Finalization
Finalization
-
Dock the patient table.
-
Confirm that the cradle release functions properly.
-
Confirm that the LPCA connects to the cradle and the cradle moves into the bore.



















