- SIGNA MR355 / SIGNA MR360
- Service Manual
- 5856356-3EN Revision 5.0
- Basic Service Documentation. Copyright General Electric Company.
- 00000018WIA30D33F20GYZ
- id_131066481.2
- Jul 6, 2019 12:03:28 AM
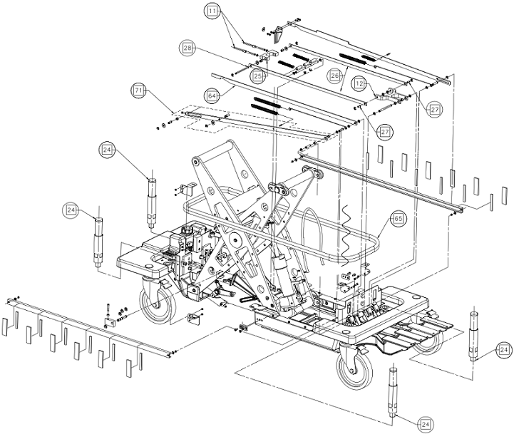
PATIENT TRANSPORT LITE TABLE
For Patient Table Straps and Pads FRU, see Straps and Pads for Patient Table

| Item | Part Number | Description | Qty | FRU | Lower |
| 2 | 5457659-100 | RoHS Compliant Lite Table | 1 | Yes | |
| 8 | 2369234 | HANDLE CAP-LH | 1 | Yes | |
| 15 | 5442686 | BELLOWS SIGNA LX TABLE | 1 | Yes | |
| 16 | 5151337 | TOP OUTER COVER ASSY-LH | 1 | Yes | |
| 18 | 5437897 | ARMBOARD ASSEMBLY- LH | 1 | Yes | |
| 19 | 5451966 | ARMBOARD ASSEMBLY- RH | 1 | Yes | |
| 22 | 2351462 | DRIP PAN-FRONT | 1 | Yes | |
| 23 | 2351463 | DRIP PAN-REAR | 1 | Yes | |
| 44 | 5151338 | TOP OUTER COVER ASSY- RH | 1 | Yes | |
| 46 | 2369234-2 | HANDLE CAP-LH | 1 | Yes | |
| 47 | 5452816 | FRP_BOTTOM COVER- RH | 1 | Yes | |
| 48 | 5452816-2 | FRP_BOTTOM COVER-LH | 1 | Yes | |
| 53 | 5450369 | SIGNALITE TABLE PADS SET | 1 | Yes | |
| 54 | 5108543 | DOWN RELEASE ADJUSTMENT GAGE | 1 | Yes | |
| 57 | 5441875-2 | ARM BOARD BUMPER | 2 | Yes | |
| 58 | 5145965 | FLIPPER COVER | 1 | Yes | |
| 59 | 5152089 | COVER | 1 | Yes | |
| 62 | 5271723 | NEW DEAD STOPPER FRU KIT ASSEMBLY | 1 | Yes | |
| 66 | 2375943 | 10-32 3/4~ BUTTON HEAD SCREW | 10 | Yes | |
| 67 | 46-208938P5 | 10-32, 3/8~ HEX X .130 THK,18-8 SST | 10 | Yes | |
| 68 | 2365191 | SUPPORT-BELLOW | 1 | Yes | |
| 72 | 526652 | CABLE CLAMP FRU KIT ASSEMBLY | 1 | Yes |

| Item | Part Number | Description | Qty | FRU | Lower |
| 5 | 5437893-2 | PINCH GAURD-SIGNA LX | 2 | Yes | |
| 6 | 5437115 | FOOT END BUMPER-RH | 1 | Yes | |
| 7 | 5437892 | FOOT END SLOT BUMPER-SIGNA LX | 1 | Yes | |
| 9 | 5145983 | PANEL ASSY LH-SIGNA LX | 1 | Yes | |
| 10 | 5151332 | FLIPPER ASSY-SIGNA LX | 1 | Yes | |
| 13 | 2341546 | WEAR BLOCK | 1 | Yes | |
| 20 | 5461487 | HANDLE-RH | 1 | Yes | |
| 21 | 5461487-2 | HANDLE-LH | 1 | Yes | |
| 30 | 5145983-2 | PANEL ASSY RH-SIGNA LX | 1 | Yes | |
| 34 | 5451964 | 22 INCH SIDE BUMPER, INFINITY COLOR | 2 | Yes | |
| 35 | 5451964-2 | 16.25 INCHES SIDE BUMPER, INFINITY | 2 | Yes | |
| 36 | 5446706 | TABLE HEAD END BUMPER, INFINITY | 1 | Yes | |
| 39 | 5497743 | DETACHABLE, TELESCOPING IV SUPPORT | 1 | Yes | |
| 45 | 5437115-2 | FOOT END BUMPER-LH | 1 | Yes | |
| 51 | 5193207 | FLIPPER CABLE FRU KIT | 1 | Yes | |
| 60 | 5146009 | FLIPPER | 1 | Yes |

| Item | Part Number | Description | Qty | FRU | Lower |
| 11 | 2340113 | SHAFT-PUMP LINK | 2 | Yes | |
| 12 | 2340116 | PUMP LINK | 1 | Yes | |
| 24 | 2351466 | SPRING BOOST ASSEMBLY | 4 | Yes | |
| 25 | 2357437 | CONNECTING BLOCK | 1 | Yes | |
| 26 | 5486192 | NEW PUMP LINK | 2 | Yes | |
| 27 | 2357816 | PIN | 2 | Yes | |
| 28 | 2357817 | SHAFT | 1 | Yes | |
| 64 | 5154756 | LINK UNDOCK WITH PACKAGING | 1 | Yes | |
| 65 | 5191923 | HOSE ASSEMBLY FRU KIT | 1 | Yes | |
| 71 | 5501423 | LINK DOCK FRU KIT ASSEMBLY | 1 | Yes |

| Item | Part Number | Description | Qty | FRU | Lower |
| 3 | 5437312 | CATIS CASTER ASSY+PACK AGING | 1 | Yes | |
| 14 | 2341817 | PIN-DOCK HOOK | 1 | Yes | |
| 32 | 46-256080P1 | CABLE, PUSH PULL, NYLON, MOLYBDENUM | (20ft) | Yes | |
| 33 | 5135744-100 | Pump Assembly | 1 | Yes | |
| 37 | 46-271761P1 | CASTER BUSHING, TAPERED ID, BRASS | 4 | Yes | |
| 41 | 46-271771P1 | PAD, _NEOPRENE RUBBER PEDAL BUMPER. | 3 | Yes | |
| 42 | 46-271895P1 | THREADED CASTER- MOUNTING CAP | 4 | Yes | |
| 43 | 5184019 | HYDR CYL CABLE, FITTINGS BOTH ENDS | 1 | Yes | |
| 49 | 2390958 | RESERVOIR ASSEMBLY | 1 | Yes | |
| 50 | 46-271946P1 | FILTER | 1 | Yes | |
| 55 | 2348467 | ELBOW | 1 | Yes | |
| 69 | 5497726 | DAMPNER CYLINDER ASSEMBLY | 1 | Yes | |
| 70 | 5498337 | UP INDICATOR BRACKET FRU KIT | 1 | Yes |

| Item | Part Number | Description | Qty | FRU | Lower |
| 4 | 2333047 | PIN_CYLINDER_MTG- SIGNA LX | 2 | Yes | |
| 29 | 5498336 | HYD CYLINDER ASSY-DIA 45MM | 1 | Yes | |
| 38 | 2389561 | ADJUSTMENT SCREW | 3 | Yes | |
| 52 | 2376037 | WARNING LABEL | 1 | Yes | |
| 61 | 5193208 | DOWN RELEASE CABLE FRU KIT | 1 | Yes |

| Item | Part Number | Description | Qty | FRU | Lower |
| 17 | 2345662 | STOPPER-DELRIN | 1 | Yes | |
| 40 | 46-271761P1 | CASTER BUSHING, TAPERED ID, BRASS | 4 | Yes |

| Item | Part Number | Description | Qty | FRU | Lower |
| 1 | 5179918 | HOUSING (WHEEL)(6 WHEELS PER KIT) | 3 | Yes | |
| 31 | 5177597 | CRADLE WHEEL BEARING - 11 BALL | 18 | Yes | |
| 56 | 5233775 | CRADLE HANDLE | 1 | Yes |
| Item | Part Number | Description | Qty | FRU | Lower |
| 5111101 | Washer-ID 0.336~ OD 0.75~ THK .064~ BRASS | 1 | Yes | ||
| 5437119 | TOTAL LOCK CASTER FOR SIGNA MRI | 3 | Yes | ||
| 5437119-2 | DIRECTIONAL LOCK CASTER SIGNA MRI | 1 | Yes | ||
| 5452183 | NEW PINCH GUARD AND ARM BOARD BUMPERS FRU KIT FOR HDMR-2 TABLE | 1 | Yes | ||
| 5486191 | Connecting Block | 1 | Yes | ||
| 5457117 | NEW ARM BOARD BUMPERS FRU KIT FOR LITE TABLE. | 1 | Yes | ||
| 5486507 | Spring Drum | 1 | Yes | ||
| 5487500 | Clevis Arm with Key Hole | 1 | Yes | ||
| 5495066 | Bushing | 3 | Yes | ||
| 5549312 | Collector kit for MR Patient FRU Fasteners | 1 | Yes | ||
| 5501422 | Pump Assembly with Packing | 1 | Yes | ||
| 5486198 | I. V. Bushing | 1 | Yes | ||
| 5486195 | Bumper | 1 | Yes | ||
| 5486196 | Cable Hub | 1 | Yes | ||
| E01-KC024-30 | HEXAGON SOCKET HEAD CAP SCREW | 1 | Yes | ||
| 5497736 | Table Latch Assembly | 1 | Yes | ||
| 5788867 | Chloroprene Rubber Sponge | 1 | Yes |
