- id_2012850
- Version: 4.1
- Date: Sep 23, 2019 3:59:51 PM
Dummy load resistance check and setup
|
Procedure
- Use a DVM to measure the resistance of input to the dummy load.
- Measure directly on the dummy load input connector – center pin to GND.
Figure 1. Measure dummy load input resistance

- Confirm that the resistance measures 50 ohms ± 5 ohms.

- notice
- Measure directly on the dummy load input connector – center pin to GND.
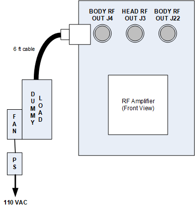
- Setup for dummy load.
- Plug the fan for the dummy load into a service outlet. Never use this dummy load without its fan running.notice: Possible equipment damage
The dummy load must be cooled or it can overheat and become damaged.
Do not apply RF power to the dummy load when its fan is not on.
Figure 2. Connect dummy load

- Plug the fan for the dummy load into a service outlet. Never use this dummy load without its fan running.
