- Topic ID: id_16157616
- Version: 4.0
- Date: May 23, 2022 4:55:57 AM
Tube Replacement
Prerequisites
Overview
Figure 1. Tube Removal Diagram

1 Tools Preparation
Procedure
- Information of torque wrench tip 5263871:note: Make sure to mount this torque wrench tip (shipped with system in shipping collector) on 3/8 inch drive torque wrench (prepared by service engineer) with 90 degree.
Figure 2. Torque Wrench Tip

2 Data Entry
Procedure
- Open SERVICE DESKTOP.
- Enter the data of the new tube:
- Select REPLACEMENT.note: Perform Tube Installation Certification, if required. Refer to SmarTube™ Setup.note: (For KL China) Please confirm the proper proprietary security license or SSA key to be installed.
- Select NEW TUBE CONFIG, select a proper
Tube Unit Failure Code (reason for tube replacement), Insert Serial
#, and Housing Serial # of a new tube, then click on OK.
Figure 3. Change Tube Information Screen

- Select REPLACEMENT.
The following procedure is required prior to the actual tube replacement. If you perform the data entry after tube replacement, the system will set the tube heat data to the maximum, and you will have to wait for a pretty long time until the tube heat data lowers.
3 Old Tube Removal
Procedure
danger
danger- Remove and set aside gantry side, top and front covers.
- Remove the M12 screws holding support bracket for the right
front gantry cover and set the assembly aside. It may be necessary
to tilt the gantry back to remove the third bolt (not normally installed).
Figure 4. Right Front Gantry Cover Support Bracket

- notice
- Turn off the AXIAL DRIVE ENABLE, HVDC ENABLE, and 120VAC switches.
- Turn off facility power to PDU and lockout/tagout according to lockout/tagout procedure.
- Rotate the Gantry until the x-ray tube reaches the 2 o’clock position.
- Remove the two tube mounting bolts and washers which are located at right side of tube (from front side of gantry). Continue to rotate the gantry unti the x-ray tube reaches about 3 o’clock position, refer to Figure 1 for the mounting bolts position.
warning- notice
- Engage gantry rotational lock, and check that the gantry is securely locked by attempting to rotate the gantry by hand.
warning- Insert the lifting post, boom and chain hoist.
- Disconnect the 12 pin tube I.D. system cable, from the top of the tube unit.
- Disconnect the 4 pin mate-n-lock pump and fan power system cable.
- Remove the anode and the cathode cable:
-
Carefully cut tie-wraps securing HV cables. Note HV cable routing.
-
Loosen each cable’s locking ring with the spanner wrench.
-
Pull each cable terminal out of its receptacle.
-
Ground the end of the cables to the Gantry frame.
-
Wipe up any oil that drips from the cable terminal.
-
Use paper towels to soak up any oil in the wells.
-
caution- Remove the other 2 mounting bolts and washers.
- Carefully swing the tube clear of the gantry.note:
Be careful not to damage the fragile copper filter or lead shield in the mounting plate for the next step.
warning- If the replacement tube has a mounting plate attached (see Figure 5), DO NOT REMOVE IT. SkipStep 15 and Step 16.
Figure 5. Tube Shipped with Mounting Plate Attached

- notice
- If the replacement tube does NOT have a mounting plate attached, remove the mounting plate by removing the four M10 x 18 hex head screws.
- If new tube has no mounting plate attached, inspect the copper
filter. The copper filter should be clean, dent and scratch free:
-
If contamination is visible (see Figure 6), proceed to Collimator Cleaning Procedure.
-
Discoloration is acceptable.
Figure 6. Extremely Contaminated Copper Filter
note: Perform the following inspection before installing the new tube unit. Also look at the tube side of the copper filter when you are swapping the interposer plate.The following tools are required for this inspection procedure:
-
Phillips #2 Screwdriver
-
Flat blade Screwdriver
-
Bright Flashlight
-
- Inspect the Bowtie Filter. It is possible that the Bowtie Filter
is contaminated and the Primary Copper Filter is not contaminated.
- Remove the Collimator Control Board Sheet Metal Cover. See Figure 7.
Figure 7. Collimator Control Board Cover

warning- notice
- With power removed from the gantry, use a flat blade screwdriver
and position the bowtie filter assembly so it is visible through the
input port or tube side of the collimator assembly.
-
CCW will move the filter into the beam. See Figure 8.
-
Do not move the filter back to the home position.
Figure 8. Filter Position Adjuster

-
- Using a flashlight, inspect the bowtie filter for contamination.
Reference Figure 9.
Look through the input port or tube side of the collimator.
If contamination is visible, proceed to Collimator Cleaning Procedure.
Figure 9. Contaminated Bowtie Filter



- Remove the Collimator Control Board Sheet Metal Cover. See Figure 7.
![]() |
![]() |
![]() |
![]() |
![]() |
4 New Tube Installation
Procedure
danger
danger
warning- Allow the tube unit to warm to room temperature before you install it.
warning- If the new tube has a factory installed mounting plate, DO NOT REMOVE IT. Skip to Step 4.
warning- Attach the mounting plate from the old tube using new M10 x
18mm bolts provided with the tube. Do NOT use Loctite.
-
Finger tighten all four (4) bolts
-
Torque all four (4) bolts to the following specification:
This seats each bolt, enabling you to visually ensure that the mounting holes are not stripped while applying final torque.
Apply final torque on all four bolts:
-
- notice
- Re-check facility power and make sure it is off.
warning- Use the hoist to lift the new tube unit:
- Position the tube on the gantry: The “crosses” on
the mounting plate and on the collimator should fit in perfectly when
the tube is aligned properly.note:
-
To ease installation, fasten the top pressure plate to the rotating structure first. Then attach the bottom pressure plate.
-
Use new bolts and washers from tube crate. Make sure to select the proper bolts. There are instructions in the crate, and on the tube itself.
-
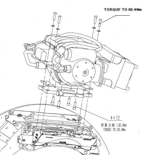
- Fasten the mounting plates to the rotating structure with the
two mounting bolts which are located at the upper position of tube,
and set pre-load torque to:
- Loosen the gantry rotation lock, and rotate the tube to about 2 o’clock position, then Engage gantry rotational lock again.
- Fasten the mounting plate to rotation structure with another
two mounting bolts which are located at the lower position of tube,
and set pre-load torque to:
- Set final torque to all four bolts to:
Figure 10. Tube and Mounting Plate

- Position the tube on the gantry: The “crosses” on
the mounting plate and on the collimator should fit in perfectly when
the tube is aligned properly.
- Attach the tube I.D. cable to the 12 pin mate-N-Lock connector on top of the tube.
- Attach the tube pump and fan power cable to the 4 pin mate-N-Lock connector.
- Remove the plastic cap plug from each cable receptacle on the
tube unit.note: Take care not to lose the rubber quad rings for the High Voltage cables.
- Lightly wet the new rubber quad ring with transformer oil (917).
- Return the quad ring to its slot at the top of the receptacle retaining ring.
- Pour transformer oil into the receptacle approximately 13 ml (reference only, please adjust the oil amount as necessary).note: DO NOT use the syringe in vertical position, this will result in air bubbles which increase the chances of the high voltage breakdown.
Figure 11. Filling Receptacle

- notice
- Be sure to route the HV cable as shown in Figure 12.
Figure 12. HV Cables Properly Routed and Secured

- Align the cable terminal orienting key with the notch in the
receptacle.

- notice
- Slowly insert the cable, to engage the connector pins, and seat the cable in the receptacle.note:
After installing the cable to the receptacle, confirm the transformer oil is spilled over a little from the receptacle as shown in Figure 13.
If the transformer oil is inappropriate amount, adjust the oil amount as necessary.
Figure 13. Appropriate Amount of Transformer Oil

1 HV Cable 2 Transformer Oil 3 Receptacle -
Tighten the cable locking ring.
note: Use service wrench to turn the threaded ring ¼ to ½ of a full turn after the gap is closed and friction is felt by hand. - notice
Rotate the cable strain relief for a clean cable dress.

-
- Carefully wipe up all excess oil.
- Secure HV Cables using large tie-wraps, as shown in Figure 12.
- Disconnect hoist from tube and boom.
- Remove the post and boom from the gantry. Reference Figure 4.
- Check for oil leaks:
-
Wrap rags or paper towels around the cable horns, and tape them into place.
-
Manually rotate the tube to the 6 o’clock position.
-
Return the tube to the 3 o’clock position
-
Remove the toweling and wipe up all excess oil.
-
Wipe off the cable horns, locking rings and strain reliefs with an alcohol-dampened rag.
-
Repeat with a dry rag.
-
Wrap the cable strain reliefs and locking rings with a single layer of absorbent paper tissue. You can use two inch wide strips cut from a paper napkin.
-
Wrap the bottom edge of the paper around the top end of the cable horn, and tape it in place.
-
Extend the top edge of the paper over the top of the locking ring, and tape it to the plastic cable strain relief.
-
Remove paper after leak check.
-
- If oils leaks are found, tighten the locking ring slowly until there is no leakage, paying attention to not over tighten.
- Install the right gantry front cover bracket. Reference Figure 4.
- Restore system power at the main disconnect panel.
- Turn on gantry 120 VAC, HVDC ENABLE and AXIAL DRIVE ENABLE on the service switch panel. Wait at least 10 minutes to warm up the filament.
- Reset the system:
- New mounting bolts and washers are used for mounting the tube; old mounting bolts and washers are discarded.
- Proper torque specifications are followed for all fasteners (see Torque Wrench Information)..
- Tie-wraps and cables are in place.
![]() |
![]() |
![]() |
5 Finalization
Procedure
- Checklist
- New mounting bolts and washers are used for mounting the tube; old mounting bolts and washers are discarded.
- Proper torque specifications are followed for all fasteners (see Torque Wrench Information.
- Tie-wraps and cables are in place.
- Perform Tube Installation Certification, Refer to SmarTube™ Setup.
- Perform the retest steps below in the order described.
- Install TubeInstallFlex option through eLicense, as needed. Refer to Tube Identification (Tube Alignment Workflow)
- Gantry Balance Procedure
- Gantry Rotation Safety Check
- Reset Tube TnT Data (JEDI Generator Tool)
- Plane of Rotation (POR) Alignment
- Beam on Window (BOW) Alignment
- CBF/SAG Alignment Process
- ISO Alignment Procedure
- Meter Verification
- HV Tank Feedback Resistor Verification
- Filament Calibration
-
HHS Scans
Tube Usage Information is found on the Common Service Desktop following path:
Error Logs>Tube Usage>Details.
- Hot ISO Alignment
- Collimator Calibration
- Detailed Calibration
- Fast Calibration
- Quality Assurance Test
- New Tube Configure
- Save System State
