Rear Cover
Prerequisites
Procedure
- Remove following assembly and covers.
-
Rear trim ring (Refer to Rear Trim Ring.)
- Remove the Left Rear Cover by removing the screws shown below.
Figure 1. Left Rear Cover

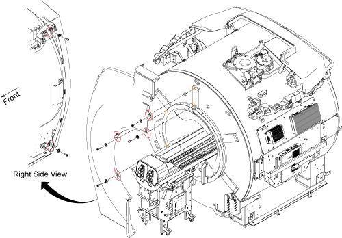
- Remove the Right Rear Cover by removing the screws shown below.
Figure 2. Right Rear Cover

- Installation is reverse order of removal.
Finalization
No finalization steps.