• SIGNA™ Hero 3.0T Service Methods
  • 5852800-8EN Revision 1.0
  • Object ID: 00000018WIA30D46510GYZ
  • Topic ID: id_2004890 Version: 2.13
  • Date: Jul 13, 2021 4:16:32 PM

Troubleshooting the E-Stop loop

This document describes troubleshooting steps if the E-Stop remains engaged.

About this task

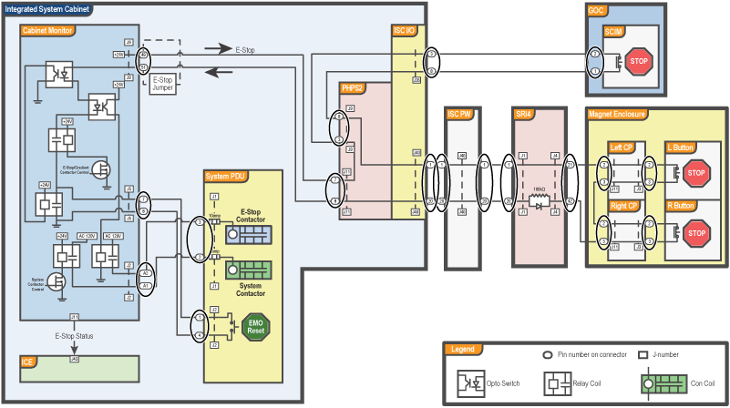
Figure 1. E-Stop circuit

Procedure

  1. Make sure all the E-Stop buttons are disengaged and press EMO Reset.
    • If all the E-Stop buttons are disengaged and pressing the EMO Reset button does not recover the system, continue on to Step 2.
    See Figure 1 for a block diagram of the E-Stop circuit.
  2. Make sure the leak sensors are connected and operating correctly. If the leak sensors are disconnected or failing, the E-Stop loop will not close. See Troubleshooting the leak detection sensors to resolve any issues with the leak detection sensors.
    • If the leak detection sensors are connected and operating properly, continue to Step 3.
  3. Manually recover the system.
    1. Remove connector J11 on the PHPS2.
      Figure 2. PHPS2 connector J11
    2. Insert the E-Stop Jumper (5774825) to the end of the PHPS2 J11 connector.
    3. Press EMO Reset to recover system.
    • If the system recovers, this indicates that the Cabinet Monitor 3 ISR (5789922) and the Cabinet Monitor Main I/O Interface Cable (5737697-2) are working properly. This also indicates there is still an open in the e-stop circuit between the PHPS2 and the E-Stop buttons. Use a DMM to check the resistance in the rest of the circuit to locate the open connection.
    • If the system does not recover, continue on to Step 4.
  4. Replace the Cabinet Monitor Main I/O Interface Cable (5737697-2) and repeat Step 3.
    • If replacing the cable does not work, replace the Cabinet Monitor 3 ISR (5789922) and repeat Step 3.
  5. Using a multimeter, measure the resistance from the PDU to the E-Stop switch. Resistance should read 110k ohms or less.
    • If the reading is out of range, proceed to the next test point.
    • If the reading is within range, check the previous line connection. Then, re-verify that the error message indicates an E-Stop error.

Finalization

After the issue is resolved and all assemblies are properly connected, test the E-Stop circuit by pressing one of the E-Stop buttons, and then recover by pressing the EMO Reset button. This verifies the E-Stop circuit is functioning properly.