- Discovery MR750 3.0T System Service Methods
- 5690009-2EN Revision 4
- 00000018WIA30A41E20GYZ
- id_131064435.0
- Feb 21, 2021 9:07:47 PM
MNS installation and upgrade (3.0T)
Prerequisites
| Required persons | Preliminary requirements | Procedure | Finalization |
|---|---|---|---|
| 2 | Not Applicable | 9 hours | Not Applicable |
| Item | Quantity | Effectivity | Part number | Manufacturer |
|---|---|---|---|---|
| Non-magnetic Tool Kit | 1 | - | - | - |
| Item | Quantity | Effectivity | Part number | Manufacturer |
|---|---|---|---|---|
| Tie Wraps | As needed | - | - | - |
| Item | Quantity | Effectivity | Part number | Manufacturer |
|---|---|---|---|---|
| Ferrite toroid key | 1 | - | - | - |
| ||||
| Condition | Reference | Effectivity |
|---|---|---|
| Remove any twists and kinks from the cabling. When routing cables, avoid circular loop bundles. Use “figure eight” coils of less than 6 ft (2 m) in diameter. | - | - |
| Allow 3 ft (1 m) of cable slack at the entrance to the cabinets. | - | - |
| If the amplifier cabinet is a AMT/Herley, move the MNS cabinet door down using the adjustable hinges before positioning the cabinet. With an opening at the top of the cabinet, the cables can be routed up and out of the MNS cabinet. | - | - |
About this task
Note: MNS scans can only be executed on the curved table. The flat or GEM table is not compatible with the MNS option.
There are two individual amplifiers that are utilized for the spectroscopy option:
- 8 kW AMT/Herley amplifier – This is the original amplifier and is easily identified by cables connecting to the rear of the cabinet.
Figure 1. 8 kW AMT/herley cabinet – front and back 
Item Description 1 Front of 8 kW AMT/Herley cabinet 2 Back of 8 kW AMT/Herley cabinet 3 Cable connections - CPC MNS amplifier – This is a new amplifier introduced in summer of 2014. Cables connect to the top of the cabinet for this amplifier.
Note: The CPC MNS amplifier is only compatible with DV systems MR750, MR750w and Architect T. It is not compatible with HD systems.

| Item | Description |
| 1 | Front of CPC cabinet |
| 2 | Top of CPC cabinet |
| 3 | Cable connections |
Two hoist support brackets are in the bottom of the CPC cabinet crate. Install them on the top of the cabinet so that they do not get lost.

| Item | Description |
| 1 | Hoist support brackets (2) |
System power shutdown
Procedure
DANGER 
To prevent fatal electric shock, disconnect the power from the PDU before doing the following procedures.Notice - Do LOTO on the PGR PDU/gradient subsystem, which disconnects the INPUT circuit breaker. See the MR Service Safety Manual, PN 5452735.
Installing RF detector boards, BB AIF board, and cables
About this task
- Amp IF Board: a quantity of 1 BB Amp IF Board is required for the MNS option, either PN 5250032 (non-RoHS) or 6250112 (RoHS)
- RF Detector Boards: a quantity of 2 RF Detector boards are required for the MNS option. Systems with a Dual Drive RF amplifier will already have the boards installed. Systems with a Single Drive RF Amplifier will require the installation of two additional RF Detector Boards. It is required and important that the part number of the RF Detector Boards being installed match the part number of the other RF Detector Boards already installed (for NB) in the CAM (or ASC) chassis. If the CAM (or ASC) chassis has RF Detector boards with PN 5250034, then the RF Detector Boards for MNS option must also be 5250034. If the CAM (or ASC) chassis has RF Detector boards with PN 6250264, then RF Detector Boards for MNS option must also be 6250264.
Procedure
Installing MNS power connections
About this task
Procedure
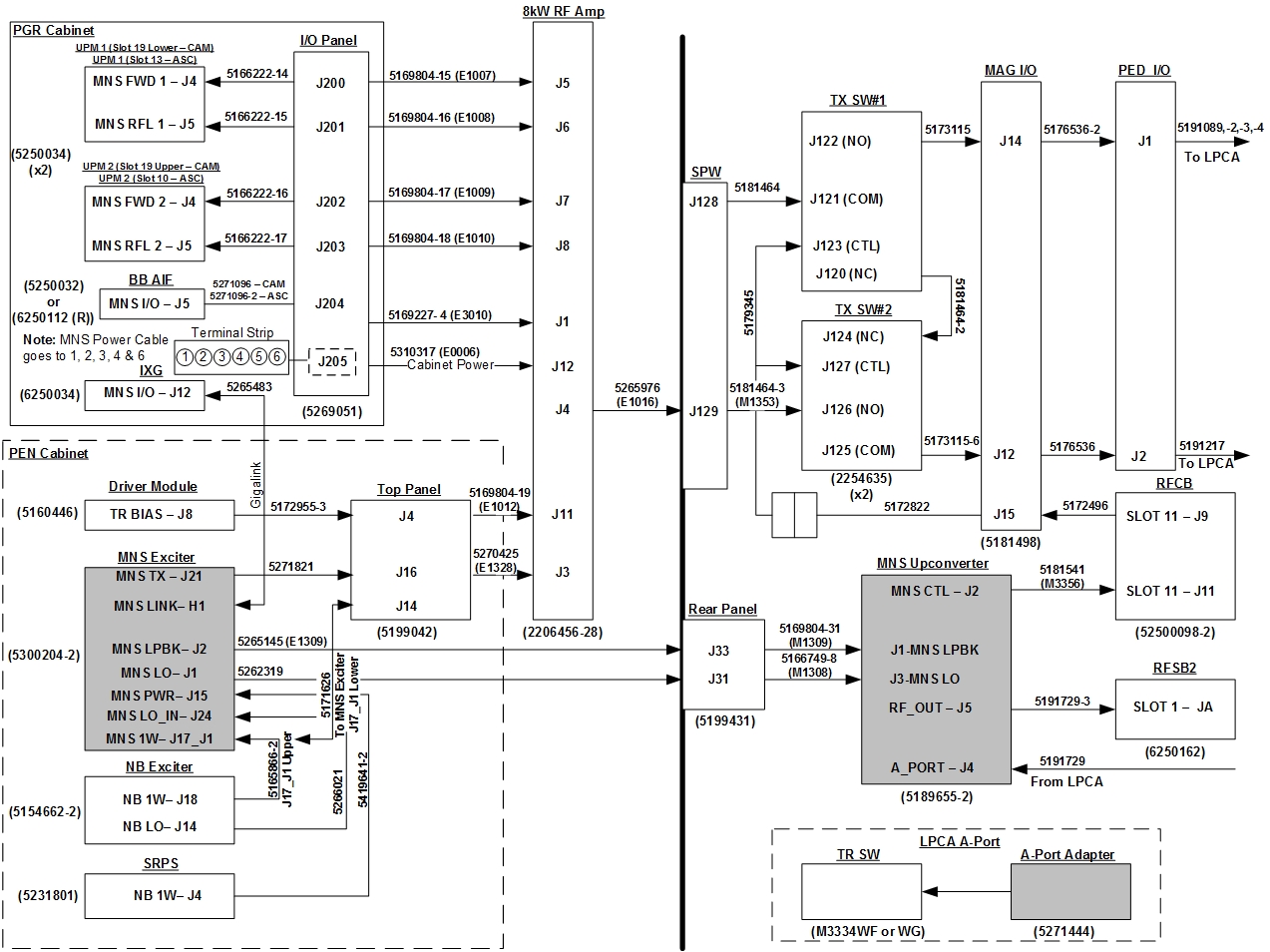
Installing MNS in CAM or ICE chassis
Installing MNS hardware in PGR cabinet with XG2 and CAM
About this task

| Item | Description |
| 1 | XG2 gradient driver hardware |
| 2 | CAM |
Procedure
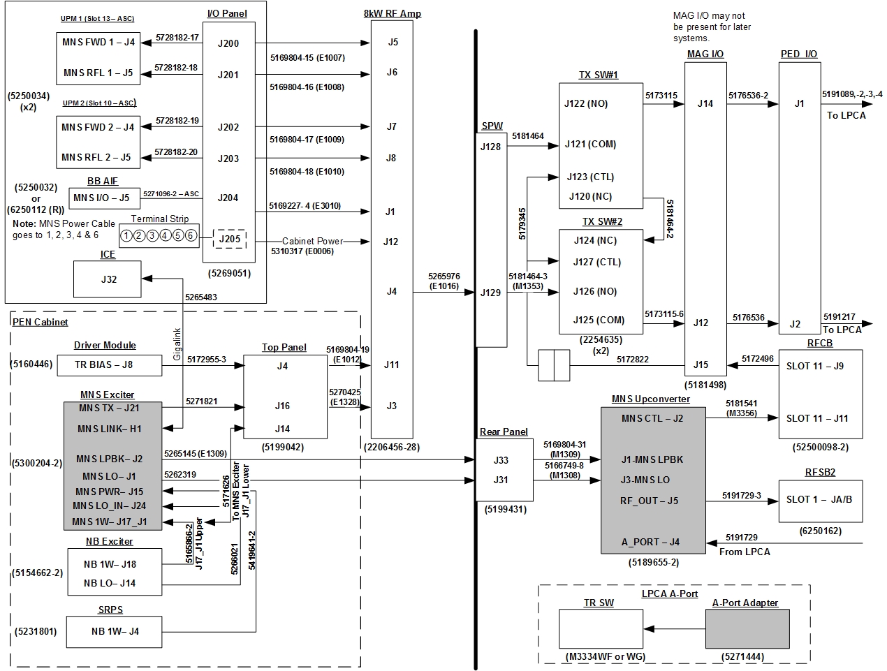
Installing MNS hardware in PGR cabinet with XGD
About this task
On systems released before DV VCP (contains Cronus chassis, item 1 below), the ERF board must be installed into the CAM chassis. Figure 22. Cabinet with previous hardware (pre-DV VCP)

| Item | Description |
| 1 | Cronus Chassis |
| 2 | XGD gradient driver hardware |
Procedure
Installing broadband exciter module (5300204-2) in CAM or ICE configuration
Procedure
Installing MNS upconverter – PN 5189655-2 (non-RoHS) or PN 5480090-2 (RoHS)
About this task
The MNS upconverter is installed on the rear pedestal of the magnet.

Procedure
Installing LPCA cover
Procedure
- With the LPCA cover off, place the two LPCA rails on the top of the MNS LPCA cover so the notches are facing up. When viewing from the patient end, the right LPCA rail should have the notch farthest away, and the left rail should have the notch closest.
- Attach the rails to the cover by fastening the screws from the underside. (Screw heads are hidden underneath the cover.)
- Install the LPCA cover on the system and secure with four screws.
Ferrite installation
About this task
Procedure
Installing MNS T/R switch on LPCA – PN 2354050 (non-RoHS) or PN 5409918 (RoHS)
About this task
Procedure
Installing MNS TX switch (PN 2254635)
Procedure
Restoring system power
Procedure
- Notify all personnel working on the system that the system is being powered up.
Remove LOTO from the RF amplifier and PEN cabinet. See the MR Service Safety Manual, PN 5452735.Notice - Remove LOTO from the PGR PDU/gradient subsystem. See the MR Service Safety Manual, PN 5452735.
- Open the plastic door over the front of the PDU breakers, and switch the appropriate subsystem breakers ON.
- Return any individual circuit breakers that were turned off to the ON position.
Installing spectroscopy software and configuring hardware
Procedure
Verifying configuration settings
Procedure
- At the CSD, select the Utilities tab.
- Select the Config File Manager, and ensure
the following parameters match the definitions as stated:
- Click Save Changes.
- Click Quit to exit the Config File Manager.
MNS exciter calibration
About this task
Procedure
Finalization
Procedure
- Do 8 kW 3.0T MNS Amplifier Calibration.
- Do UPM - MNS Setup and Calibration.
- Do UPM - MNS Functional Check.
- Do Doing a check scan.
- Do MNS 31P Functional Checks.
- Do any scan using head coil.
- Do a SaveInfo.






























