- id_15271072
- Version: 6.11
- Date: Feb 27, 2020 11:13:29 AM
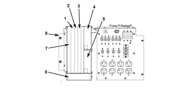
PGR Cabinet
PGR Cabinet
Figure 1. PGR Cabinet (System with CAM Shown)

| Item | Part Number | Description | |
| 1 | 5150275 | DC Current Transducer | |
| 2 | 5215252 | Power Distribution Block | |
| 3 | 5184566-2 | XGA Amplifier FRU (XGD) (3) | |
| 5330684-2 | XGA2 Amplifier FRU (XG2) (3) | ||
| 5330684-102 | XGA2 Amplifier FRU (XG2) (3) (RoHS) | ||
| 5764096 | SFP Fiber Optic Transceiver Module | ||
| 5764096-2 | SFP Fiber Optic Transceiver Module | ||
| 4 | - | XGD Cronus Module (see Cronus Module) | |
| 5 | 5196748 | Hoist Bracket | |
| 6 | 5260695 | PGR Power Distribution Module (5148810 series) (PGR cabinet only) | |
| 5371251 | Power strip (5373011 series) (PGR cabinet only) | ||
| 5534330 | Power strip (5373011 series) (PGR cabinet only) (RoHS) | ||
| 7 | - | Image Compute Node (see ICN) | |
| 8 | 5139592 | 16-Port Gigabit Ethernet Switch FRU | |
| 9 | 5161071 | XGD Auxiliary Assembly | |
| 5329421 | XG2 PEM Assembly | ||
| 5329421-100 | XG2 PEM Assembly (RoHS) note: Must be used with compatible SW loads DV25.1 R02 or earlier.
|
||
| 46-312346P4 | Nut M6 x 1 | ||
| 5329421-102 | XG2 PEM Assembly (RoHS) note: Compatible with SW loads DV25.1 R03 and later.
|
||
| 10 | - | CAM Module (see CAM Module) | |
| 11 | 2351573 | 1.5T SRFDII RF Amp FRU | |
| 5317905-17 | 1.5T XRFD RF Amp FRU | ||
| - | - | ||
| 12 | 5266756 | Hoist Beam | |
| 13 | 5148804-2 | XPS Power Supply FRU (XGD) (3) | |
| 5351443-2 | XPS2 Power Supply FRU (XG2) (3) | ||
| 5351443-102 | XPS2 Power Supply FRU (XG2) (3) (RoHS) | ||
| 5764096 | SFP F/O Transceiver Module | ||
| 5764096-2 | SFP F/O Transceiver Module | ||
| 14 | 5269769 | PGR Base Cabinet with PDU FRU (XGD) (see XGD and XG2 PDU FRUs) | |
| 15 | 5194812 | XPS Mod Retaining Bracket | |
| 16 | 5157426 | Slide Rails | |
| 17 | 5183212 | Fan Tray, Removable | |
| 5183573 | XGD Fan Box Assembly | ||
| 5498980 | XGD Fan Box Assembly (RoHS) | ||
| 18 | 5157422 | XGA Slide Rails | |
| 19 | 46-208718P5 | 1/2~ ID Loop | |
Figure 2. PGR Cabinet (Rear, System with CAM Shown)

| Item | Part Number | Description | |
| 1 | 5168052 | Female-to-Female Bulkhead Connector, 7-16 | |
| 2 | 5263113 | ICN 1 to ICN 2 Connect Cable (system with CAM) | |
| 3 | 5257687-2 | ICN 2 Power Cable (system with CAM) | |
| 4 | 5764096 | SFP F/O Transceiver Module | |
| 5764096-2 | SFP F/O Transceiver Module | ||
| 5 | 2379186 | Term Server Power Supply with Cord (system with CAM) | |
| 6 | 5725719 | ICN PCIe Transition Cable X4-X8 (system with ICE) | |
ICN
| ICN Type | ICN Part Number | Description | Supported Software | Low Level FRUs | ||||
| Min SW | Max SW | Power Supply | HDD | SDD | SD Card | |||
| Dell R640 (Gen7) | 5941000-3 | Gen7 Performance with Dolphin Card | 5931100-21 | N/A | 5941100-23 (Gen7) ICN Solid State Disk Drive | N/A | ||
| 5941000-5 | Gen 7 Advanced ICN with Dolphin Interface Card | |||||||
| Dell R630 (Gen6) | 5931000 | Gen6 DV Value with Dolphin Card | DV26.0 (ICE) | (ICE) | 5931100-20 | N/A | 5931100-22 Gen6 ICN SSD Drive | 5931100-22 ICN Vflash Diagnostics Card, 8GB SD Card |
| 5931000-3 | Gen6 Performance ICN with Dolphin Interface Card | 5931100-21 750W PS | ||||||
| 5931000-5 | Gen6 Advanced ICN with Dolphin Interface Card | |||||||
| 5931000-2 | Gen6 DV Value with VRF | DV25.1 | DV26.0 | 5931100-20 | ||||
| 5931000-4 | Gen6 DV Performance with VRF | 5931100-21 750W PS | ||||||
| 5931000-6 | Gen6 DV Advanced with VRF | |||||||
| Dell R620 (Gen5) | 5921000 | DV 16-Channel ICN with VRF | DV25.0 | DV26.0 | 5921000-8 495W PS | 5921000-4 300GB SAS HDD | Not a FRU | 5921000-10 VFLASH CARD for ICN |
| 5921000-2 | DV 32-Channel ICN with VRF | 5921000-9 750W PS | ||||||
| 5021000-3 | DV Gen5 32 Ch+ ICN | 5921000-9 750W PS (2 PS on ICN) | ||||||
| SUN 4170M2 (Gen4) | 5911000 | DV 16-Channel non-GEM | DV24.0 | DV26.0 | Not a FRU | 5337894-5 4170 146GB SAS HDD | N/A | N/A |
| 5911000-2 | DV 32-Channel 32 GB non-GEM | |||||||
| 5911000-3 | DV 32-Channel 72 GB GEM | |||||||
| SUN 4170 (Gen3) | 5337894 | DV 16-Channel non-GEM | DV24.0 | DV26.0 | Not a FRU | 5337894-5 4170 146GB SAS HDD | N/A | N/A |
| 5337894-2 | DV 32-Channel non-GEM | |||||||
| SUN 4100 (Gen2) | 5127452-2 | ICN with VRF | DV24.0 | DV24.0 (32ch) DV25.0 (16ch) |
Not a FRU | 5127452-2 | N/A | N/A |
| 5127452-6 | ICN with VRF and without Infiniband | |||||||
PGR Cabinet Internal Cables
| Item | Part Number | Description | |
| 1 | 5167234-3 | 1.5T Body TX Cable, LMR600, I/O Panel J19 to Svc Panel J21 | |
| 2 | 5167234-4 | 1.5T Body TX Cable, LMR600, Svc Panel J21 to RF Amp J4 | |
| 3 | 5192690-3 | 1.5T Head TX cable, LMR600, Svc Panel J22 to RF Amp J3 | |
| 4 | 5192690-4 | 1.5T Head TX Cable, LMR600, I/O Panel J18 to Svc Panel J22 | |
| Item | Part Number | Description | |
| 1 | 5401726 | 1.5T Head TX Cable, LMR600, RF Amp J3 to I/O Panel J18 | |
| 2 | 5401731 | 1.5T Body TX Cable, LMR600, RF Amp J4 to I/O Panel J19 | |
Cabinets with XGD Gradient Amplifiers
| 5178931 | 5165870 | 5165970 | 5176566 | 5182238 | 5182238-2 |
| 5182238-3 | 5182238-4 | 5184303 | 5257682 | 5257683 | 5257683-2 |
| 5257684 | 5257685 | 5257685-2 | 5257685-3 | 5257685-4 | 5257685-5 |
| 5257685-6 | 5257685-10 | 5167344 | 5167005 | 5257680 | 5257681 |
| 5166354 | 5166222-13 | 5166222-18 | 5257685-11 | 5257685-12 | 5257685-13 |
| 5176990 | 5176262 | 5176262-2 | 5176262-3 | 5174739 (5148810 series only) | 5376191 (5373011 series only) |
| 5182888 | 5182317 | 5182317-2 | 5182317-3 | 5182317-4 | 5182317-5 |
| 5182317-6 | 5257686 |
| 5173399 | 5164904 | 5165800 | 5172391 | 5174242 | 517242-2 |
| 5183977 |
Cabinets with XG2 Gradient Amplifiers
| 5165870 | 5165970 | 5166222-13 | 5166222-18 | 5166354 | 5176262 |
| 5176262-2 | 5176262-3 | 5176566 | 5176990 | 5257683 | 5257683-2 |
| 5257685 | 5257685-2 | 5257685-3 | 5257685-4 | 5257685-5 | 5257685-6 |
| 5257685-11 | 5257685-12 | 5257685-13 | 5372109 | 5372109-2 | 5372109-3 |
| 5393662 | 5394284 | 5395495 | 5395496 | 5395497 | 5395497-2 |
| 5395499 |
| 5372730 | 5372730-2 | 5372730-3 |
| 5173399 | 5164904 | 5165800 | 5172391 | 5394269 | 5394279 |
| 5166222-19 | 5166222-20 | 5166222-21 | 516222-22 | 5165744 | 5399190 |
| 5176566-2 |
| 5166222 | 5166222-2 | 5166222-3 | 5166222-4 | 5166222-5 | 5166222-6 |
| 5166222-7 | 5166222-8 | 5166222-23 | 5166222-24 | 5166222-25 | 5166222-26 |
| 5165744 | 5399190 | 5176566-2 | 5419640-2 | 5399190 |
Other Cabinet FRUs
| Item | Part Number | Description | |
| 1 | 5266125 | Fluid Sensor Kit (XGD only) | |
| 2 | 5421463 | Fluid Sensor Kit (XG2 only) | |
| 3 | 46-306565P3 | Aluminum Mesh Air filter, 16 x 10 | |
| 4 | 2109873-25 | M16 X 16mm L Pan Head Screw | |
| 5 | 5263794 | Lifting Bracket — XGA and XPS FRU | |
| 6 | 5461213 | Cabinet Key | |
XGD and XG2 PDU FRUs
| Item | Part Number | Description | |
| 1 | 2301200-3 | TVSS Module | |
| 2 | 5343114-4 | Contactor, 65A, 3-Pole | |
| 3 | 5343114-3 | XGD PDU Control Board Assembly — PEM | |
| 4 | 5343114-2 | XGD PDU Control Board Assembly | |
| 5 | 5140621-3 | 3-Pole Power Contactor for E-stop | |
| 6 | 5745311 | Delta 48V 2500W Power Supply | |
| 7 | 5140621-10 | Delta 48V Power Supply Bracket for the Gradient Subsystem (XGD) Power Distribution Unit (PDU) | |
| 5343114-10 | Delta 48V Power Supply Bracket for the Gradient Subsystem (XGD) Power Distribution Unit (PDU), Blind-Mate | ||
| 8 | 5140621-5 | Fan with Tach Output | |
Cronus Module
Figure 3. Cronus Module

| Item | Part Number | Description | |
| 1 | 5250122-2* | XPS Control Board | |
| 2 | 5250122* | XGA Control Board | |
| 3 | 5250128* | XGD Gradient Master Control Board | |
| 4 | 5159513 | XGD Cronus cPCI Power Supply 8HP 3U | |
| 5 | 5159512 | XGD Cronus Filler Panel 8HP 3U | |
| 6 | 5159510 | XGD Cronus Fan Assembly | |
| 7 | 5159511 | XGD Cronus Filler Panel 4HP 6U | |
| 8 | 2384411 | XGD Cronus Chassis | |
| *Control boards include FRU 5764096 SFP F/O transceiver module. | |||
CAM Module
Figure 4. CAM Module

| Item | Part Number | Description | |
| 1 | 6250034 | IXG Board Slot 7 | |
| 5250066 | IRF3 Board Slot 7 | ||
| 5250066-51 | IRF3 Board Slot 7 (RoHS) | ||
| 5764096 | SFP F/O Transceiver Module | ||
| 5764096-2 | SFP F/O Transceiver Module | ||
| 2 | 5117168 | CAN Terminator | |
| 3 | 2294300-18 | AGP2/APS2 board | |
| 2294300-23 | AGP2/APS Board Slot 6 | ||
| 2294300-24 | AGP2/APS2 Board Slot 6 | ||
| 4 | 5181495-2 | CAM DC Blower | |
| 5181495-52 | CAM DC Blower (RoHS) | ||
| 5 | 2294300-22 | MGD Chassis SCP3 with CAN Board | |
| 6 | 5181495-3 | Main Power Supply (slot 14/15), Secondary Power Supply (slot 12/13) | |
| 7 | 6250006 | PSE Board (slot 10) | |
| 2280951 | SRF/TRF Board (slot 10/11) | ||
| 8 | 2280952-3 | STIF Board (slot 10/11) | |
| 9 | 5181495-4 | CAM Metal Cage with Midplane | |
| 10 | 2274196 | Interface and Remote RF Transition (slot 7) | |
| 11 | - | See UPM Modules. | |
UPM Modules
Figure 5. UPM Modules

| Item | Part Number | Description | |
| 1 | 2391146 | NB Amp Interface Board, 450 (slot 17/18 L) | |
| 6250110 | NB Amp Interface Board, 450 (slot 17/18 L) (RoHS) | ||
| 2 | 2329754 | 50 ohm SMB Terminator (slot 19 U/L, slot 20 U/L) | |
| 2329754-51 | 50 ohm SMB Terminator (slot 19 U/L, slot 20 U/L) (RoHS) | ||
| 3 | 2359518-2 | UPM Processor Board, 450 (slot 21 U/L) | |
| 4 | 5250154 | UPM RF Detector Board, 450 (slot 19 U/L, slot 20 U/L) | |