- Optima MR450w BASE 1.5T System Service Methods
- 5690012-2EN Revision 3
- 00000018WIA30BB1130GYZ
- id_152710727.1
- Jun 23, 2021 2:28:24 AM
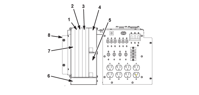
PGR Cabinet
PGR Cabinet

| Item | Part Number | Description | |
| 1 | 5150275 | DC Current Transducer | |
| 2 | 5215252 | Power Distribution Block | |
| 3 | 5184566-2 | XGA Amplifier FRU (XGD) (3) | |
| 5330684-2 | XGA2 Amplifier FRU (XG2) (3) | ||
| 5330684-102 | XGA2 Amplifier FRU (XG2) (3) (RoHS) | ||
| 5764096 | SFP Fiber Optic Transceiver Module | ||
| 5764096-2 | SFP Fiber Optic Transceiver Module | ||
| 4 | - | XGD Cronus Module (see Cronus Module) | |
| 5 | 5196748 | Hoist Bracket | |
| 6 | 5260695 | PGR Power Distribution Module (5148810 series) (PGR cabinet only) | |
| 5371251 | Power strip (5373011 series) (PGR cabinet only) | ||
| 5534330 | Power strip (5373011 series) (PGR cabinet only) (RoHS) | ||
| 7 | - | Image Compute Node (see ICN) | |
| 8 | 5139592 | 16-Port Gigabit Ethernet Switch FRU | |
| 9 | 5161071 | XGD Auxiliary Assembly | |
| 5329421 | XG2 PEM Assembly | ||
| 5329421-100 | XG2 PEM Assembly (RoHS) Note: Must be used with compatible SW loads DV25.1 R02 or earlier. | ||
| 46-312346P4 | Nut M6 x 1 | ||
| 5329421-102 | XG2 PEM Assembly (RoHS) Note: Compatible with SW loads DV25.1 R03 and later. | ||
| 10 | - | CAM Module (see CAM Module) | |
| 11 | 2351573 | 1.5T SRFDII RF Amp FRU | |
| 5317905-17 | 1.5T XRFD RF Amp FRU | ||
| - | - | ||
| 12 | 5266756 | Hoist Beam | |
| 13 | 5148804-2 | XPS Power Supply FRU (XGD) (3) | |
| 5351443-2 | XPS2 Power Supply FRU (XG2) (3) | ||
| 5351443-102 | XPS2 Power Supply FRU (XG2) (3) (RoHS) | ||
| 5764096 | SFP F/O Transceiver Module | ||
| 5764096-2 | SFP F/O Transceiver Module | ||
| 14 | 5269769 | PGR Base Cabinet with PDU FRU (XGD) (see XGD PDU2 (XG2 PDU) FRUs (5343114)) | |
| 15 | 5194812 | XPS Mod Retaining Bracket | |
| 16 | 5157426 | Slide Rails | |
| 17 | 5183212 | Fan Tray, Removable | |
| 5183573 | XGD Fan Box Assembly | ||
| 5498980 | XGD Fan Box Assembly (RoHS) | ||
| 18 | 5157422 | XGA Slide Rails | |
| 19 | 46-208718P5 | 1/2~ ID Loop | |

| Item | Part Number | Description | |
| 1 | 6200100-4 | ICE Assembly (MR450w, MR450w GEM, Artist T) | |
| 6200100-10 | ICE Assembly (Artist, Artist XT) | ||
| 5485930 | ICE Fan | ||
| 5332741 | ICE Slide Rail | ||
| 6200100-110 | ICE Assembly, Pulse Sequence Control (PSC) | ||
| 2 | 5729972 | USB Hub | |
| 3 | - | See KASC Components. | |
| 4 | 5736891 | MRU Converter | |
| 5864292 | ICE Bootrom Flash (DVD with ICE firmware) | ||

| Item | Part Number | Description | |
| 1 | 6250110 | NB Amp Interface Board (slot 8) | |
| 2 | 6250266 | QUPM Processor Board (slots 12/15) | |
| 6250266-10 | QUPM Processor Board | ||
| 3 | 6250264-2 | QUPM RF Detector Board (slots 10/11/13/14) | |
| 4 | 5496754 | KASC Power Supply FRU (slot 16) | |
| 5 | 5554633 | KASC Fan Assembly FRU | |
| 6 | 5490171 | KASC chassis with power supply | |

| Item | Part Number | Description | |
| 1 | 5168052 | Female-to-Female Bulkhead Connector, 7-16 | |
| 2 | 5263113 | ICN 1 to ICN 2 Connect Cable (system with CAM) | |
| 3 | 5257687-2 | ICN 2 Power Cable (system with CAM) | |
| 4 | 5764096 | SFP F/O Transceiver Module | |
| 5764096-2 | SFP F/O Transceiver Module | ||
| 5 | 2379186 | Term Server Power Supply with Cord (system with CAM) | |
| 6 | 5725719 | ICN PCIe Transition Cable X4-X8 (system with ICE) | |
ICN
| ICN Type | ICN Part Number | Description | Supported Software | Low Level FRUs | ||||
| Min SW | Max SW | Power Supply | HDD | SDD | SD Card | |||
| Dell R640 (Gen7-DL) Performance | 5941000-9 | Performance ICN with Dolphin Interface Card and GPU Card | DV29.1 | DV29.1 | 5931100-21 | N/A | 5941100-23 (Gen7, Gen7-DL) ICN Solid State Disk Drive | N/A |
| Dell R640 (Gen7) | 5941000-3 | Gen7 Performance with Dolphin Card | DV29.1 | DV29.1 | 5931100-21 | N/A | 5941100-23 (Gen7, Gen7-DL) ICN Solid State Disk Drive | N/A |
| Dell R630 (Gen6) | 5931000 | Gen6 DV Value with Dolphin Card | DV26.0 (ICE) | (ICE) | 5931100-20 | N/A | 5931100-23 Gen6 ICN SSD Drive | 5931100-22 ICN Vflash Diagnostics Card, 8GB SD Card |
| 5931000-3 | Gen6 Performance ICN with Dolphin Interface Card | 5931100-21 750W PS | ||||||
| 5931000-5 | Gen6 Advanced ICN with Dolphin Interface Card | |||||||
| Dell R630 (Gen6) | 5931000-2 | Gen6 DV Value with VRF | DV25.1 | DV26.0 | 5931100-20 | N/A | 5931100-23 | 5931100-22 ICN Vflash Diagnostics Card, 8GB SD Card |
| 5931000-4 | Gen6 DV Performance with VRF | 5931100-21 750W PS | ||||||
| 5931000-6 | Gen6 DV Advanced with VRF | |||||||
| Dell R620 (Gen5) | 5921000 | DV 16-Channel ICN with VRF | DV25.0 | DV26.0 | 5921000-8 495W PS | 5921000-4 300GB SAS HDD | Not a FRU | 5921000-10 VFLASH CARD for ICN |
| 5921000-2 | DV 32-Channel ICN with VRF | 5921000-9 750W PS | ||||||
| 5021000-3 | DV Gen5 32 Ch+ ICN | 5921000-9 750W PS (2 PS on ICN) | ||||||
| SUN 4170M2 (Gen4) | 5911000 | DV 16-Channel non-GEM | DV24.0 | DV26.0 | Not a FRU | 5337894-5 4170 146GB SAS HDD | N/A | N/A |
| 5911000-2 | DV 32-Channel 32 GB non-GEM | |||||||
| 5911000-3 | DV 32-Channel 72 GB GEM | |||||||
| SUN 4170 (Gen3) | 5337894 | DV 16-Channel non-GEM | DV24.0 | DV26.0 | Not a FRU | 5337894-5 4170 146GB SAS HDD | N/A | N/A |
| 5337894-2 | DV 32-Channel non-GEM | |||||||
| SUN 4100 (Gen2) | 5127452-2 | ICN with VRF | DV24.0 | DV24.0 (32ch) DV25.0 (16ch) | Not a FRU | 5127452-2 | N/A | N/A |
| 5127452-6 | ICN with VRF and without Infiniband | |||||||
PGR Cabinet Internal Cables
| Item | Part Number | Description | |
| 1 | 5167234-3 | 1.5T Body TX Cable, LMR600, I/O Panel J19 to Svc Panel J21 | |
| 2 | 5167234-4 | 1.5T Body TX Cable, LMR600, Svc Panel J21 to RF Amp J4 | |
| 3 | 5192690-3 | 1.5T Head TX cable, LMR600, Svc Panel J22 to RF Amp J3 | |
| 4 | 5192690-4 | 1.5T Head TX Cable, LMR600, I/O Panel J18 to Svc Panel J22 | |
| Item | Part Number | Description | |
| 1 | 5401726 | 1.5T Head TX Cable, LMR600, RF Amp J3 to I/O Panel J18 | |
| 2 | 5401731 | 1.5T Body TX Cable, LMR600, RF Amp J4 to I/O Panel J19 | |
Cabinets with XGD Gradient Amplifiers
| 5178931 | 5165870 | 5165970 | 5176566 | 5182238 | 5182238-2 |
| 5182238-3 | 5182238-4 | 5184303 | 5257682 | 5257683 | 5257683-2 |
| 5257684 | 5257685 | 5257685-2 | 5257685-3 | 5257685-4 | 5257685-5 |
| 5257685-6 | 5257685-10 | 5167344 | 5167005 | 5257680 | 5257681 |
| 5166354 | 5166222-13 | 5166222-18 | 5257685-11 | 5257685-12 | 5257685-13 |
| 5176990 | 5176262 | 5176262-2 | 5176262-3 | 5174739 (5148810 series only) | 5376191 (5373011 series only) |
| 5182888 | 5182317 | 5182317-2 | 5182317-3 | 5182317-4 | 5182317-5 |
| 5182317-6 | 5257686 |
| 5173399 | 5164904 | 5165800 | 5172391 | 5174242 | 517242-2 |
| 5183977 |
Cabinets with XG2 Gradient Amplifiers
| 5165870 | 5165970 | 5166222-13 | 5166222-18 | 5166354 | 5176262 |
| 5176262-2 | 5176262-3 | 5176566 | 5176990 | 5257683 | 5257683-2 |
| 5257685 | 5257685-2 | 5257685-3 | 5257685-4 | 5257685-5 | 5257685-6 |
| 5257685-11 | 5257685-12 | 5257685-13 | 5372109 | 5372109-2 | 5372109-3 |
| 5393662 | 5394284 | 5395495 | 5395496 | 5395497 | 5395497-2 |
| 5395499 |
| 5372730 | 5372730-2 | 5372730-3 |
| 5173399 | 5164904 | 5165800 | 5172391 | 5394269 | 5394279 |
| 5166222-19 | 5166222-20 | 5166222-21 | 516222-22 | 5165744 | 5399190 |
| 5176566-2 |
| 5166222 | 5166222-2 | 5166222-3 | 5166222-4 | 5166222-5 | 5166222-6 |
| 5166222-7 | 5166222-8 | 5166222-23 | 5166222-24 | 5166222-25 | 5166222-26 |
| 5165744 | 5399190 | 5176566-2 | 5419640-2 | 5399190 |
PGR Cable FRUs (Systems with ICE)
| Item | Part Number | Description |
|---|---|---|
| 1 | 5824648 | Power cable, ICE power module and KASC AC in |
| 2 | 5538762-2 | Long Cable of ICE DC LINE to ICE J52 |
| 3 | 5746064 | DC PS Assembly for ICE |
| 5730975 | 5725077-2 | 5725077 | 5167907-2 | 5257685-2 | 5257685-12 |
| 5728563 | 5167907-4 | 5257685-13 | 5729973 | 5168845-2 |
| 5728182-13 | 5728182-15 | 5728182-16 | 5728182-14 | 5176566-2 | 5399190 |
| 5722892 |
| 5722893-8 | 5725855-2 | 5724455 | 5722893-4 | 5725077-2 | 5725855 |
| 5728563 | 5725855-3 | 5722893-5 | 5257685-6 | 5257685-4 | 5257685-5 |
| 5722893-6 | 5722893-7 | 5395495 | 5372109 | 5372109-3 | 5394284 |
| 5165870 | 5176262 | 5176262-2 | 5176262-3 | 5372109-2 | 5165970 |
| 5722895 | 5722896 | 5395499 | 5176990 |
| 5722622 | 5724457 | 5172391 | 5394269 | 5173399 | 5164904 |
| 5165800 | 5394279 |
| 5722894-2 | 5722894-3 | 5722894 |
| 5728182-19 | 5728182-17 | 5728182-20 | 5728182-18 |
Other Cabinet FRUs
| Item | Part Number | Description | |
| 1 | 5266125 | Fluid Leak Sensor Kit (XGD only) | |
| 2 | 5421463 | Fluid Leak Sensor Kit (XG2 only) | |
| 3 | 46-306565P3 | Aluminum Mesh Air filter, 16 x 10 | |
| 4 | 2109873-25 | M16 X 16mm L Pan Head Screw | |
| 5 | 5263794 | Lifting Bracket — XGA and XPS FRU | |
| 6 | 5461213 | Cabinet Key | |
XGD PDU2 (XG2 PDU) FRUs (5343114)
| Item | Part Number | Description | |
| 1 | 2301200-3 | TVSS Module | |
| 2 | 5343114-4 | Contactor, 65A, 3-Pole | |
| 3 | 5343114-2 | XGD PDU Control Board Assembly | |
| 4 | 5343114-5 | XGD PDU2 Control PC Board Asm with PEM or AUX Config Switch | |
| 5 | 5140621-11 | 3-Pole Power Contactor for E-stop | |
| 6 | 5745311 | Delta 48V 2500W Power Supply | |
| 7 | 5343114-10 | Delta 48V Power Supply Bracket for the Gradient Subsystem (XGD) Power Distribution Unit (PDU), Blind-Mate | |
| 8 | 5140621-5 | Fan with Tach Output | |
| 9 | 5604719 | XGD PDU - CB1 150A Main Input Breaker Kit - ABB | |
| 10 | 5789504 | XGD PDU - CB1 150A Main Input Breaker Kit - Eaton | |
| 11 | 5789505 | XGD PDU - 90A Gradient Breaker Kit (CB2) | |
| 12 | 5789506 | XGD PDU - Three-Phase Breaker FRU Kit (CB3, CB4, CB7, CB8 FRU Kit) | |
| 13 | 5789507 | XGD PDU - Single- and Two-Phase Breaker Kit (CB5, CB6, CB9-CB11) | |
| 14 | 5789508 | XGD PDU - Electrical Connectors Collector FRU (REC1 – REC 3, TB1 – TB3, TB6) | |
| 15 | 5789509 | XGD PDU - Panel Buttons, Indicators and Test Points Collector FRU (IND1-3, SW1, SW2, TP1 – TP7) | |
| 16 | 5823568 | Shunt Trip Main CB1 Accessory - EATON p/n SNT120CPK | |
| 17 | 5823569 | CB Handle Main CB1 Accessory - EATON p/n JHMCCB | |
| 18 | 5823570 | Shunt Trip Main CB1 Accessory - ABB p/n KXTASORCFPD | |
| 19 | 5823571 | CB Handle Main CB1 Accessory - ABB p/n KXTCRHDSTFP | |
XGD PDU FRUs (5140621)
| Item | Part number | Description |
|---|---|---|
| 1 | 5343114-5 | A1; XGD PDU2 Control PC Board Asm with PEM or AUX Config Switch |
| 2 | 2301200-3 | Q1-Q3; TVSS Module FRU for ACGD PDU |
| 3 | 5140621-11 | CON1-CON2; 3-Pole Power Contactor for E-stop (ABB PN A50-30-11-84) |
| 4 | 5745311 | PS1-PS2; Delta 48V 2500W Power Supply |
| 5 | 5343114-10 | 48V Power Supplies Bracket |
| 6 | 5140621-5 | FAN1-FAN2; Fan with Tach Output (Sanyo PN 109E1348G101) |
| 7 | 5604719 | CB1; ABB Main Input Circuit Breaker |
| 8 | 5789505 | CB2; Gradient 420V Power Circuit Breaker (Eaton) |
| 9 | 5789506 | CB7, CB8; Supercon Shim Power Supply and Magnet Power Supply Circuit Breakers Note: The part kit will contain all CB3, CB4, CB7, and CB8 breakers; however, only CB7 and CB8 are compatible for XGD PDU. FRUs XGD CB3 and CB4 are not compatible with XGD PDU (5140621). Do not use CB3 or CB4 for replacement in XGD PDU. |
| 10 | 5789507 | CB5, CB9; Brainwave and Gradient 48V Circuit Breakers Note: The part kit will contain all CB5, CB6, CB9, CB10, and CB11 breakers; however, only CB5 and CB9 are compatible for XGD PDU. FRUs XGD CB6, CB10, and CB11 are not compatible with XGD PDU (5140621). Do not use CB6, CB10, or CB11 for replacement in XGD PDU. |
| 11 | 5789508 | REC1-2, TB2; Receptacles and Terminal Blocks Note: The part kit will contain all REC1-REC3, TB1-TB3, and TB6; however, only REC1-2 and TB2 are compatible for XGD PDU. FRUs XGD REC3, TB1, TB3, and TB6 are not compatible with XGD PDU (5140621). Do not use REC3, TB1, TB3, or TB6 for replacement in XGD PDU. |
| 12 | 5789509 | SW2, TP1-7; Switches and Test Points Note: The part kit will contain all IND1-IND3, SW1, SW2, and TP1-7; however, only SW2 and TP1-7 are compatible for XGD PDU. FRUs IND1-3 and SW1 are not compatible with XGD PDU (5140621). Do not use IND1-3 or SW1 for replacement in XGD PDU. FRUs for XGD IND1-3 or SW1 do not exist. |
Cronus Module

| Item | Part Number | Description | |
| 1 | 5250122-2* | XPS Control Board | |
| 2 | 5250122* | XGA Control Board | |
| 3 | 5250128* | XGD Gradient Master Control Board | |
| 4 | 5159513 | XGD Cronus cPCI Power Supply 8HP 3U | |
| 5 | 5159512 | XGD Cronus Filler Panel 8HP 3U | |
| 6 | 5159510 | XGD Cronus Fan Assembly | |
| 7 | 5159511 | XGD Cronus Filler Panel 4HP 6U | |
| 8 | 2384411 | XGD Cronus Chassis | |
| *Control boards include FRU 5764096 SFP F/O transceiver module. | |||
CAM Module

| Item | Part Number | Description | |
| 1 | 6250034 | IXG Board Slot 7 | |
| 5250066 | IRF3 Board Slot 7 | ||
| 5250066-51 | IRF3 Board Slot 7 (RoHS) | ||
| 5764096 | SFP F/O Transceiver Module | ||
| 5764096-2 | SFP F/O Transceiver Module | ||
| 2 | 5117168 | CAN Terminator | |
| 3 | 2294300-18 | AGP2/APS2 Board | |
| 2294300-23 | AGP2/APS Board Slot 6 | ||
| 2294300-24 | AGP2/APS2 Board Slot 6 | ||
| 4 | 5181495-2 | CAM DC Blower | |
| 5181495-52 | CAM DC Blower (RoHS) | ||
| 5 | 2294300-22 | MGD Chassis SCP3 with CAN Board | |
| 6 | 5181495-3 | Main Power Supply (slot 14/15), Secondary Power Supply (slot 12/13) | |
| 7 | 6250006 | PSE Board (slot 10) | |
| 2280951 | SRF/TRF Board (slot 10/11) | ||
| 8 | 2280952-3 | STIF Board (slot 10/11) | |
| 9 | 5181495-4 | CAM Metal Cage with Midplane | |
| 10 | 2274196 | Interface and Remote RF Transition (slot 7) | |
| 6250034 | Interface and Remote RF Transition (slot 7) (RoHS) | ||
| 11 | - | See UPM Modules. | |
| 12 | 5250066-2 | ERF Board (MNS option) | |
| 5250066-52 | ERF Board (MNS option) (RoHS) | ||
| 13 | 6250008 | PSE I/O Board (research option) | |
UPM Modules

| Item | Part Number | Description | |
| 1 | 2391146 | NB Amp Interface Board, 450w (slot 17/18L) | |
| 6250010 | NB Amp Interface Board, 450w/450w Quiet (slot 17/18L) (RoHS) | ||
| 5250156 | NB Dual Drive AIF Board (slot 17L/18L) | ||
| 5250156-51 | NB Dual Drive AIF Board (slot 17L/18L) (RoHS) If the site is installed with DV29.1 or later, please replace this part with 5250156-61. If not, 5250156-51 can not be replaced by 5250156-61. | ||
| 5250156-61 | NB Dual Drive AIF Board with Cyclone 10 | ||
| 2 | 2329754 | 50 ohm SMB Terminator (slot 19 U/L, slot 20 U/L) | |
| 2329754-51 | 50 ohm SMB Terminator (slot 19 U/L, slot 20 U/L) (RoHS) | ||
| 3 | 2359518-2* | UPM Processor Board, 450w (slot 21 U/L) | |
| 6250266* | UPM Processor Board, 450w/450w Quiet (slot 21 U/L) (RoHS) | ||
| 6250266-10 | QUPM Processor Board | ||
| 4 | 5250154* | UPM RF Detector Board, 450w (slot 19 U/L, slot 20 U/L) | |
| 6250264-2* | UPM RF Detector Board, 450w/450w Quiet (slot 19 U/L, slot 20 U/L) (RoHS) | ||
| *See Table 30 for the appropriate board to be used. | |||
| Cabinet Part Number | Description | RF Detector Board | UPM Processor Board |
| 5267500-4** | NMR PGR Cabinet, 1.5T, 32ch MRM Make | 5250154 | 2359518-2 |
| 5267500-6** | NMR PGR Cabinet, MR450w, 32ch, MRM Make | 5250154 | 2359518-2 |
| 5267500-5** | NMR PGR Cabinet, MR450w, 16ch, MRM Make | 5250154 | 2359518-2 |
| 5373012-3** | PGR Cabinet, MR450w, 16ch | 5250154 | 2359518-2 |
| 5373012-4** | PGR Cabinet, MR450w, 32ch | 5250154 | 2359518-2 |
| 5373012-6** | PGR Cabinet, MR450w, 32ch, 72GB | 5250154 | 2359518-2 |
| 5396502-3** | PGR Cabinet, MR450w, 16ch | 5250154 | 2359518-2 |
| 5396502-4** | PGR Cabinet, MR450w, 32ch | 5250154 | 2359518-2 |
| 5396502-6** | PGR Cabinet, MR450w, 32ch, 72GB | 5250154 | 2359518-2 |
| 5481500-3 | PGR Cabinet, MR450w, 16ch | 6250264-2 | 6250266 (RoHS) |
| 5499460-3 | PGR Cabinet, MR450w, 16ch | 6250264-2 | 6250266 (RoHS) |
| 5499460-6 | PGR Cabinet, MR450w GEM | 6250264-2 | 6250266 (RoHS) |
| 5499460-9 | PGR Cabinet, MR450w GEM+ | 6250264-2 | 6250266 (RoHS) |
| 5741000-3 | PGR Cabinet, MR450w (first used DV26) | 6250264-2 | 6250266 (RoHS) |
| **NOTE: Older PGR cabinets may be upgraded to MR Silent (Quiet). If the system has the MR Silent upgrade, use the newer boards RFDB 6250264-2 and UPM Processor board 6250266. | |||
