- Discovery MR750w and SIGNA™ Architect T 3.0T System Service Methods
- 5690002-2EN Revision 4
- 00000018WIA30386C40GYZ
- id_20195532.4
- Oct 13, 2021 1:31:38 PM
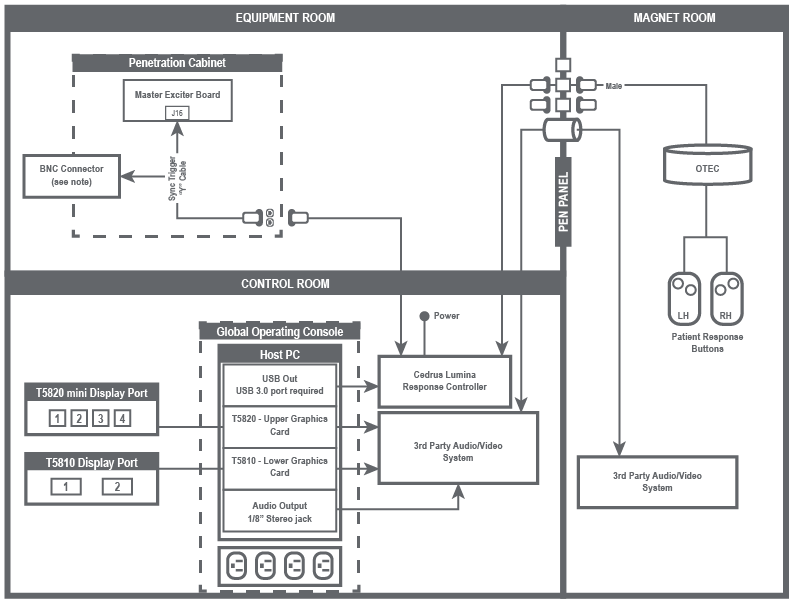
Installing BrainWave On Console hardware
Interconnect diagram
- If necessary, BrainWave components can obtain power from the outlets inside the GOC. To get access to the outlets, you must remove the right side of the GOC cover.
- Tape up the BNC connector from the Y-cable and leave it unplugged.
- The cable between Cedrus Lumina Response Controller and the PEN panel may be short. If it is too short, use the provided cable (5778183) as needed.
