• Discovery MR750w and SIGNA™ Architect T 3.0T System Service Methods
  • 5690002-2EN Revision 4
  • Object ID: 00000018WHA30569BGYZ
  • Topic ID: id_2002073 Version: 9.14
  • Date: Jul 13, 2021 4:05:21 PM

Doing UPM functional check for body channel 2

The UPM functional check runs a prescribed scan in the forward power. It compares the measured RF power from the UPM to the expected value stored in the UPM configuration file.

Procedure

  1. On the front of the exciter, set the RF ENB switch to the disabled (down) position.
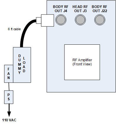
  2. For body channel 2, disconnect J4 and J22, connect the dummy load to J22, and connect the 3/16 inch wavelength stub cable to J4.
    Figure 1. Connect dummy load
  3. Set the RF enable switch to the On position.
  4. Note: Be sure to check the resistance as noted in the Dummy load resistance check and setup procedure, prior to starting the UPM functional check.
    In the tool, make the following functional check selections:
    Figure 2. UPM functional check selections for body channel 2

    (For system running DV29.0 or earlier)

    SettingValue
    Nuclei1H
    TaskUPM Func Chk
    RF ChainBody Channel 2
    Note: The Power Type drop-down menu is inactive for this step.
    Figure 3. RF Amp and Power Monitor (RAP) Tool functional check selections for body channel 2

    (For system running DV29.1 or later)

    SettingValue
    TaskPower Monitor Functional Check
    RF ChainBody Channel 2
  5. Click Start.
  6. Click Yes when the prompt asks if the hardware setup is correct.
  7. Review the system prompts as they are shown during test execution.
    This functional check takes 2 to 3 minutes before any user interaction is required. Functional check tests include: 10-second average power check, RF inhibit test, and short-term average power fault host trip test.
  8. From the CSD, open the error log. Make sure the error log contains the message that the UPM has detected a power fault on Body Short Term Average.
    • If the error is shown in the log, the functional test has passed. Click Yes on the dialog box.
  9. If the test fails, go to UPM troubleshooting.