• Discovery MR750w and SIGNA™ Architect T 3.0T System Service Methods
  • 5690002-2EN Revision 4
  • Object ID: 00000018WIA30BB1130GYZ
  • Topic ID: id_15271072 Version: 7.20
  • Date: Jan 24, 2022 1:38:40 PM

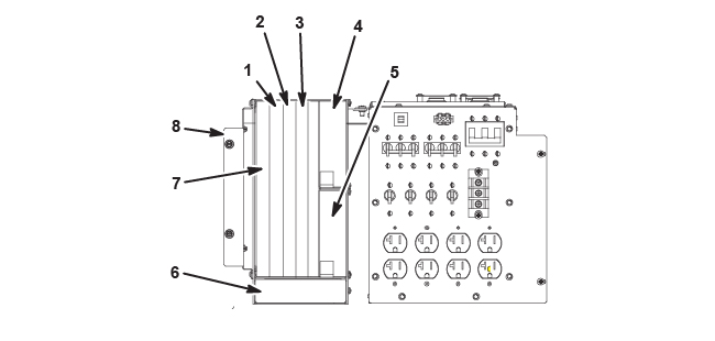
PGR Cabinet

PGR Cabinet

Figure 1. PGR Cabinet (System with CAM Shown)
Table 1. PGR Cabinet
Item Part Number Description
15150275DC Current Transducer
25215252Power Distribution Block
35184566-2XGA Amplifier FRU (XGD) (3)
5330684-2XGA2 Amplifier FRU (XG2) (3)
5330684-102XGA2 Amplifier FRU (XG2) (3) (RoHS)
5764096SFP Fiber Optic Transceiver Module
5764096-2SFP Fiber Optic Transceiver Module
4-XGD Cronus Module (see Cronus Module)
55196748Hoist Bracket
65260695PGR Power Distribution Module (5148810 series) (PGR cabinet only)
5371251Power strip (5373011 series) (PGR cabinet only)
5534330Power strip (5373011 series) (PGR cabinet only) (RoHS)
7-Image Compute Node (see ICN)
8513959216-Port Gigabit Ethernet Switch FRU
95161071XGD Auxiliary Assembly
5329421XG2 PEM Assembly
5329421-100XG2 PEM Assembly (RoHS)
Note: Must be used with compatible SW loads DV25.1 R02 or earlier.
46-312346P4Nut M6 x 1
5329421-102XG2 PEM Assembly (RoHS)
Note: Compatible with SW loads DV25.1 R03 and later.
10-CAM Module (see CAM Module)
11 5135844-3 3T XRFD RF Amp FRU
5135844-4 3T XRFD Power Supply FRU
5342542-2 3T Dual Drive XRFD Amp FRU
125266756Hoist Beam
135148804-2XPS Power Supply FRU (XGD) (3)
5351443-2XPS2 Power Supply FRU (XG2) (3)
5351443-102XPS2 Power Supply FRU (XG2) (3) (RoHS)
5764096SFP F/O Transceiver Module
5764096-2SFP F/O Transceiver Module
145269769PGR Base Cabinet with PDU FRU (XGD) (see XGD PDU2 (XG2 PDU) FRUs (5343114))
155194812XPS Mod Retaining Bracket
165157426Slide Rails
175183212Fan Tray, Removable
5183573XGD Fan Box Assembly
5498980XGD Fan Box Assembly (RoHS)
185157422XGA Slide Rails
1946-208718P51/2~ ID Loop
Figure 2. PGR Cabinet (KASC/ICE/USB Hub Components)
Table 2. PGR Cabinet (KASC/ICE/USB Hub Components)
Item Part Number Description
16200100-4ICE Assembly (MR750w, Architect T)
5485930ICE Fan
5332741ICE Slide Rail
25729972USB Hub
3-See KASC Components.
45736891MRU Converter
5864292ICE Bootrom Flash (DVD with ICE firmware)
Figure 3. KASC Components
Table 3. KASC Components
Item Part Number Description
1 5250156-51 NB Amp Interface Board (slot 8)
2 6250266 QUPM Processor Board (slots 12/15)
6250266-10QUPM Processor Board
3 6250264 QUPM RF Detector Board (slots 10/11/13/14)
45496754KASC Power Supply FRU (slot 16)
55554633KASC Fan Assembly FRU
65490171KASC chassis with power supply
Figure 4. PGR Cabinet (Rear, System with CAM Shown)
Table 4. PGR Cabinet (Rear)
Item Part Number Description
15168052Female-to-Female Bulkhead Connector, 7-16
25263113ICN 1 to ICN 2 Connect Cable (system with CAM)
35257687-2ICN 2 Power Cable (system with CAM)
45764096SFP F/O Transceiver Module
5764096-2SFP F/O Transceiver Module
52379186Term Server Power Supply with Cord (system with CAM)
5725719ICN PCIe Transition Cable X4-X8 for Dolphin 1 ICN (system with ICE)
5887762PCIe Cable for Dolphin 2 ICN

ICN

Table 5. ICN
ICN Type ICN Part Number Description Supported Software Low Level FRUs
Min SW Max SW Power Supply HDD SDD SD Card
Dell R640 (Gen7-DL) Performance5941000-9Dell R640 (Gen7-DL) Performance ICN with Dolphin 1 Interface Card and GPU CardDV29.1N/A5931100-21N/A5941100-23 (Gen7, Gen7-DL) ICN Solid State Disk DriveN/A
Dell R640 (Gen7)5941000-3Dell R640 (Gen7) Performance with Dolphin 1 CardDV29.1N/A5931100-21N/A5941100-23 (Gen7, Gen7-DL) ICN Solid State Disk DriveN/A
Dell R640 (Gen7-DL) Performance5941000-10Dell R640 (Gen7-DL) Performance ICN with Dolphin 2 Interface Card and GPU Card

DV29.1_R02 with SP01

N/A5931100-21N/A5941100-23N/A
Dell R630 (Gen6)5931000-3Gen6 Performance ICN with Dolphin 1 Interface CardDV26.0 (ICE)N/A5931100-21 750W PSN/A5931100-23 Gen6 ICN SSD Drive5931100-22 ICN Vflash Diagnostics Card, 8GB SD Card
5931000-5Advanced ICN with Dolphin 1 Interface Card
Dell R630 (Gen6)5931000-2Gen6 DV Value with VRFDV25.1DV26.05931100-20N/A5931100-235931100-22 ICN Vflash Diagnostics Card, 8GB SD Card
5931000-4Gen6 DV Performance with VRF5931100-21 750W PS
5931000-6Gen6 DV Advanced with VRF
Dell R620 (Gen5)5921000DV 16-Channel ICN with VRFDV25.0DV26.05921000-8 495W PS5921000-4 300GB SAS HDDNot a FRU5921000-10 VFLASH CARD for ICN
5921000-2DV 32-Channel ICN with VRF5921000-9 750W PS
5021000-3DV Gen5 32 Ch+ ICN5921000-9 750W PS (2 PS on ICN)
SUN 4170M2 (Gen4)5911000DV 16-Channel non-GEMDV24.0DV26.0Not a FRU5337894-5 4170 146GB SAS HDDN/AN/A
5911000-2DV 32-Channel 32 GB non-GEM
5911000-3DV 32-Channel 72 GB GEM
SUN 4170 (Gen3)5337894DV 16-Channel non-GEMDV24.0DV26.0Not a FRU5337894-5 4170 146GB SAS HDDN/AN/A
5337894-2DV 32-Channel non-GEM
SUN 4100 (Gen2)5127452-2ICN with VRFDV24.0DV24.0 (32ch)

DV25.0 (16ch)

Not a FRU5127452-2N/AN/A
5127452-6ICN with VRF and without Infiniband
ICN PCIe Transition Cable X4-X8 for Dolphin 1 ICN (system with ICE)5725719-------
PCIe Cable for Dolphin 2 ICN5887762-------
Note: This table represents the possible replacement ICNs for each model. Find the installed model on the left and see what models can be used to replace it. Make sure you have the proper software level to support all possible options as well as PCIe cable if changing dolphin board types.
Figure 5. Compatibility matrix

PGR Cabinet Internal Cables

Table 6. 3.0T Internal Transmit Cable FRU
Item Part Number Description
15167234-23.0T Body TX Cable, LMR600, RF Amp J4 to I/O Panel J19
25192690-23.0T Head TX Cable, LMR600, RF Amp J3 to I/O Panel J18

Cabinets with XGD Gradient Amplifiers

Table 7. 5304065 (5148810 series) and 5388782 (5373011 series), XGD Internal Signal Cable FRU Kit (contains the items in this table)
517893151658705165970517656651822385182238-2
5182238-35182238-45184303525768252576835257683-2
525768452576855257685-25257685-35257685-45257685-5
5257685-65257685-105167344516700552576805257681
51663545166222-135166222-185257685-115257685-125257685-13
517699051762625176262-25176262-35174739 (5148810 series only)5376191 (5373011 series only)
Table 8. 5304386, XGD Internal Fiber Optical Cable FRU Kit (contains the items in this table)
518288851823175182317-25182317-35182317-45182317-5
5182317-65257686
Table 9. 5304635, XGD Internal Power Cable FRU Kit (contains the items in this table)
51733995164904516580051723915174242517242-2
5183977

Cabinets with XG2 Gradient Amplifiers

Table 10. 5421467, XG2 Internal Signal Cable FRU Kit (contains the items in this table)
516587051659705166222-135166222-1851663545176262
5176262-25176262-35176566517699052576835257683-2
52576855257685-25257685-35257685-45257685-55257685-6
5257685-115257685-125257685-1353721095372109-25372109-3
539366253942845395495539549653954975395497-2
5395499
Table 11. 5421464, XG2 Internal Fiber Optic Cable FRU Kit (contains the items in this table)
53727305372730-25372730-3
Table 12. 5421465, XG2 Internal Signal Cable FRU Kit (contains the items in this table)
517339951649045165800517239153942695394279
Table 13. 5399409-2, 1.5T XRFD RF Amplifier FRU Kit (contains the items in this table)
5166222-195166222-205166222-21516222-2251657445399190
5176566-2
Table 14. 5402844, 3.0 Dual Drive RF Amplifier Cable FRU Kit (contains the items in this table)
51662225166222-25166222-35166222-45166222-55166222-6
5166222-75166222-85166222-235166222-245166222-255166222-26
516574453991905176566-25419640-25399190

PGR Cable FRUs (Systems with ICE)

Table 15. 5730631, PGR ICE-Host Communication Cable FRU Kit (contains the items in this table)
57309755725077-257250775167907-25257685-25257685-12
Table 16. 5730632, PGR ICE-HEC Communication Cable FRU Kit (contains the items in this table)
57285635167907-45257685-1357299735168845-2
Table 17. 5741001-2, RF Amp Cable FRU Kit (contains the items in this table)
5728182-105728182-85728182-957281825728182-35728182-5
5728182-115728182-45728182-25728182-75728182-65728182-12
5176566-253991905419640-25722892
Table 18. 5741001-4, PGR XG2 ICE Signal Cable FRU Kit (contains the items in this table)
5722893-85725855-257244555722893-45725077-25725855
57285635725855-35722893-55257685-65257685-45257685-5
5722893-65722893-7539549553721095372109-35394284
516587051762625176262-25176262-35372109-25165970
5722895572289653954995176990
Table 19. 5741001-5, PGR XG2 ICE Internal Power Cable FRU Kit (contains the items in this table)
572262257244575172391539426951733995164904
51658005394279
Table 20. 5741001-6, PGR ICE Fiber Optic Cable FRU Kit (contains the items in this table)
5722894-25722894-35722894
Table 21. 5730806, DVMR MNS Cable ICE Config FRU Kit (contains the items in this table)
5728182-195728182-175728182-205728182-18

Other Cabinet FRUs

Table 22. Other Cabinet FRUs
Item Part Number Description
15266125Fluid Leak Sensor Kit (XGD only)
25421463Fluid Leak Sensor Kit (XG2 only)
346-306565P3Aluminum Mesh Air filter, 16 x 10
42109873-25M16 X 16mm L Pan Head Screw
55263794Lifting Bracket — XGA and XPS FRU
65461213Cabinet Key

XGD PDU2 (XG2 PDU) FRUs (5343114)

Table 23. XGD PDU2 (XG2 PDU) FRUs
Item Part Number Description
12301200-3TVSS Module
25343114-4Contactor, 65A, 3-Pole
35343114-2XGD PDU Control Board Assembly
45343114-5 XGD PDU2 Control PC Board Asm with PEM or AUX Config Switch
55140621-113-Pole Power Contactor for E-stop
65745311Delta 48V 2500W Power Supply
75343114-10Delta 48V Power Supply Bracket for the Gradient Subsystem (XGD) Power Distribution Unit (PDU), Blind-Mate
85140621-5Fan with Tach Output
95604719XGD PDU - CB1 150A Main Input Breaker Kit - ABB
105789504XGD PDU - CB1 150A Main Input Breaker Kit - Eaton
115789505XGD PDU - 90A Gradient Breaker Kit (CB2)
125789506XGD PDU - Three-Phase Breaker FRU Kit (CB3, CB4, CB7, CB8 FRU Kit)
135789507XGD PDU - Single- and Two-Phase Breaker Kit (CB5, CB6, CB9-CB11)
145789508XGD PDU - Electrical Connectors Collector FRU (REC1 – REC 3, TB1 – TB3, TB6)
155789509XGD PDU - Panel Buttons, Indicators and Test Points Collector FRU (IND1-3, SW1, SW2, TP1 – TP7)
165823568Shunt Trip Main CB1 Accessory - EATON p/n SNT120CPK
175823569CB Handle Main CB1 Accessory - EATON p/n JHMCCB
185823570Shunt Trip Main CB1 Accessory - ABB p/n KXTASORCFPD
195823571CB Handle Main CB1 Accessory - ABB p/n KXTCRHDSTFP

XGD PDU FRUs (5140621)

Table 24. XGD PDU FRUs
ItemPart numberDescription
15343114-5 A1; XGD PDU2 Control PC Board Asm with PEM or AUX Config Switch
22301200-3Q1-Q3; TVSS Module FRU for ACGD PDU
35140621-11CON1-CON2; 3-Pole Power Contactor for E-stop (ABB PN A50-30-11-84)
45745311PS1-PS2; Delta 48V 2500W Power Supply
55343114-10Delta 48V Power Supply Bracket for the Gradient Subsystem (XGD) Power Distribution Unit (PDU), Blind-Mate
65140621-5FAN1-FAN2; Fan with Tach Output (Sanyo PN 109E1348G101)
75604719CB1; ABB Main Input Circuit Breaker
85789505CB2; Gradient 420V Power Circuit Breaker (Eaton)
95789506CB7, CB8; Supercon Shim Power Supply and Magnet Power Supply Circuit Breakers
Note: The part kit will contain all CB3, CB4, CB7, and CB8 breakers; however, only CB7 and CB8 are compatible for XGD PDU.

FRUs XGD CB3 and CB4 are not compatible with XGD PDU (5140621). Do not use CB3 or CB4 for replacement in XGD PDU.

105789507CB5, CB9; Brainwave and Gradient 48V Circuit Breakers
Note: The part kit will contain all CB5, CB6, CB9, CB10, and CB11 breakers; however, only CB5 and CB9 are compatible for XGD PDU.

FRUs XGD CB6, CB10, and CB11 are not compatible with XGD PDU (5140621). Do not use CB6, CB10, or CB11 for replacement in XGD PDU.

115789508REC1-2, TB2; Receptacles and Terminal Blocks
Note: The part kit will contain all REC1-REC3, TB1-TB3, and TB6; however, only REC1-2 and TB2 are compatible for XGD PDU.

FRUs XGD REC3, TB1, TB3, and TB6 are not compatible with XGD PDU (5140621). Do not use REC3, TB1, TB3, or TB6 for replacement in XGD PDU.

125789509SW2, TP1-7; Switches and Test Points
Note: The part kit will contain all IND1-IND3, SW1, SW2, and TP1-7; however, only SW2 and TP1-7 are compatible for XGD PDU.

FRUs IND1-3 and SW1 are not compatible with XGD PDU (5140621). Do not use IND1-3 or SW1 for replacement in XGD PDU. FRUs for XGD IND1-3 or SW1 do not exist.

Cronus Module

Figure 6. Cronus Module
Table 25. Cronus Module
Item Part Number Description
15250122-2*XPS Control Board
25250122*XGA Control Board
35250128*XGD Gradient Master Control Board
45159513XGD Cronus cPCI Power Supply 8HP 3U
55159512XGD Cronus Filler Panel 8HP 3U
65159510XGD Cronus Fan Assembly
75159511XGD Cronus Filler Panel 4HP 6U
82384411XGD Cronus Chassis
*Control boards include FRU 5764096 SFP F/O transceiver module.

CAM Module

Figure 7. CAM Module
Table 26. CAM Module
Item Part Number Description
16250034IXG Board Slot 7
5250066IRF3 Board Slot 7
5250066-51IRF3 Board Slot 7 (RoHS)
5764096SFP F/O Transceiver Module
5764096-2SFP F/O Transceiver Module
25117168CAN Terminator
32294300-18AGP2/APS2 Board
2294300-23AGP2/APS Board Slot 6
2294300-24AGP2/APS2 Board Slot 6
45181495-2CAM DC Blower
5181495-52CAM DC Blower (RoHS)
52294300-22MGD Chassis SCP3 with CAN Board
65181495-3Main Power Supply (slot 14/15), Secondary Power Supply (slot 12/13)
76250006PSE Board (slot 10)
2280951SRF/TRF Board (slot 10/11)
82280952-3STIF Board (slot 10/11)
95181495-4CAM Metal Cage with Midplane
102274196Interface and Remote RF Transition (slot 7)
6250034Interface and Remote RF Transition (slot 7) (RoHS)
11-See UPM Modules.
125250066-2ERF Board (MNS option)
5250066-52ERF Board (MNS option) (RoHS)
136250008PSE I/O Board (research option)

UPM Modules

Figure 8. UPM Modules
Table 27. UPM Modules
Item Part Number Description
15250156NB Dual Drive AIF Board (slot 17L/18L)
5250156-51NB Dual Drive AIF Board (slot 17L/18L) (RoHS)
2232975450 ohm SMB Terminator (slot 19 U/L, slot 20 U/L)
2329754-5150 ohm SMB Terminator (slot 19 U/L, slot 20 U/L) (RoHS)
32359518-2*UPM Processor Board, 750w (slot 21 U/L)
6250266*UPM Processor Board, 750w/750w Quiet (slot 21 U/L) (RoHS)
6250266-10QUPM Processor Board
45250034UPM RF Detector Board, 750w (slot 19 U/L, slot 20 U/L)
6250264*UPM RF Detector Board, 750w/750w Quiet (slot 19 U/L, slot 20 U/L) (RoHS)
*See Table 28 for the appropriate board to be used.
Table 28. PGR Cabinet - UPM Modules
Cabinet Part Number Description RF Detector Board UPM Processor Board
5373012-7**PGR Cabinet, MR750w, 32ch52500342359518-2
5396502-7**PGR Cabinet, MR750w, 32ch52500342359518-2
5481500-7PGR Cabinet, MR750w, 32ch62502646250266 (RoHS)
5741000PGR Cabinet, MR750w (first used DV26)62502646250266 (RoHS)
5499460-7PGR Cabinet, MR750w, 32ch62502646250266 (RoHS)
5499460-10PGR Cabinet, MR750w, 32ch+62502646250266 (RoHS)
**NOTE: Older PGR cabinets may be upgraded to MR Silent (Quiet). If the system has the MR Silent upgrade, use the newer boards RFDB 6250264 and UPM Processor board 6250266.