Regulator Box
Prerequisites
Procedure
- Remove following magnet covers.
-
Side Middle Cover (Left Side Only)
-
Side Cover (Left Rear Only)
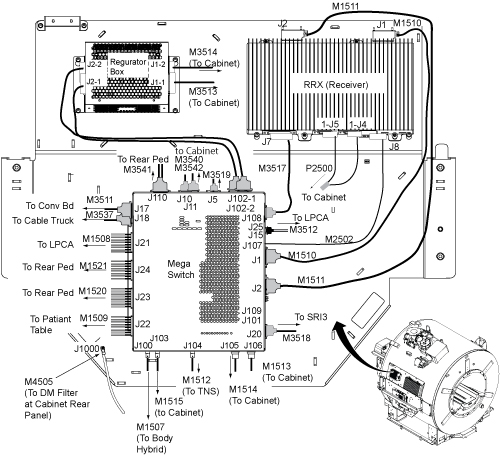
Figure 1. Regulator Box Location

-
- Disconnect all connectors from Regulator Box.
Figure 2. Regulator Box Cable Removal

caution- Loosen 4 screws and remove Regulator Box.
Figure 3. Regulator Box Removal

- Restore it by the reverse order of the removal.
Finalization
- Restore the Power. Refer to System Cabinet PDU Main Breaker LOTO Procedure.
- Perform one Body or Head Scan.