• Optima MR450w BASE 1.5T System Service Methods
  • 5690012-2EN Revision 3
  • Object ID: 00000018WIA304A9D30GYZ
  • Topic ID: id_2012850 Version: 5.0
  • Date: Dec 23, 2020 10:23:03 AM

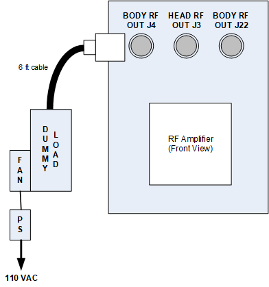
Dummy load resistance check and setup

About this task

Procedure

  1. Use a DVM to measure the resistance of input to the dummy load.
    1. Measure directly on the dummy load input connector – center pin to GND.
      Figure 1. Measure dummy load input resistance
    2. Make sure that the resistance measures 50Ω ± 5Ω.
  2. Do the dummy load setup. Plug the fan for the dummy load into a service outlet. Never use this dummy load without its fan running.
    Figure 2. Connect dummy load