- SIGNA™ Hero 3.0T Service Methods
- 5852800-8EN Revision 1.0
- 00000018WIA30EEEE20GYZ
- id_131064323.2
- Jul 12, 2021 10:48:14 PM
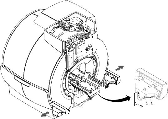
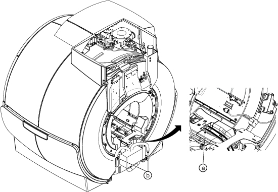
Rear Endbell Removal
Prerequisites
| Required persons | Preliminary requirements | Procedure | Finalization |
|---|---|---|---|
| 1 | 0 minutes | 30 minutes | 0 minutes |
Procedure
Finalization
No finalization steps.











