Regulator Box Replacement (Mobile Site)
Prerequisites
Procedure
- Remove covers.
- The Regulator Box is located on the wall.
Figure 1. Regulator Box Location

- Disconnect all connectors from Regulator Box.
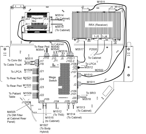
Figure 2. Regulator Box Cable Removal

caution- Loosen 4 screws and remove Regulator Box from Magnet Side Kit.
Figure 3. Regulator Box Removal

- Restore it by the reverse order of the removal.
Finalization
- Restore the Power. Refer to System Cabinet PDU Main Breaker LOTO Procedure.
- Perform one Body or Head Scan.