PATIENT TRANSPORT LITE TABLE

For Patient Table Straps and Pads FRU, see Straps and Pads for Patient Table

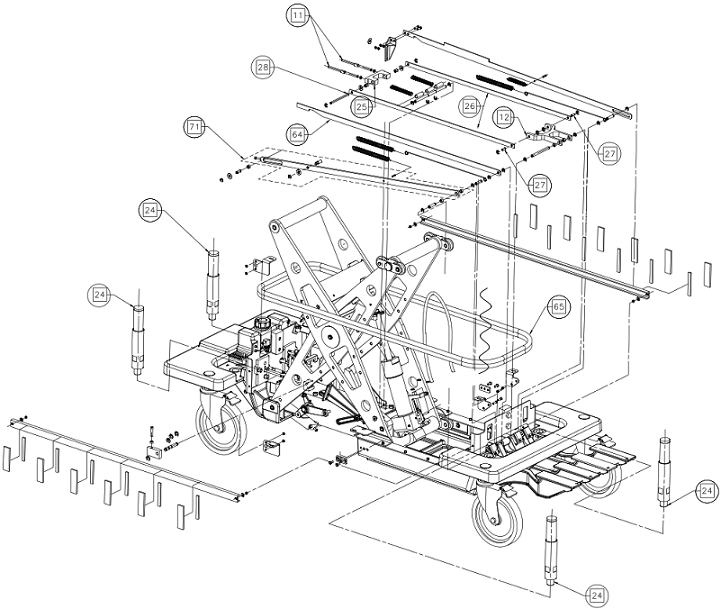
Figure 1. Table Top and Base ASM

Figure 2. Table Top ASM

Figure 3. Lower Base ASM 1

Figure 4. Lower Base ASM 2

Figure 5. Vertical Drive Assy

Figure 6. Rear Support Assy

Figure 7. Cradle Assy