ICN RRX -> VRF Datapath

1 Diagnostic Link

Diagnostics >> System Function >> Recon >> VRF Communication Diagnostics

Diagnostics >> Hardware Location >> System Cabinet >> Recon >>VRF Communication Diagnostics

Figure 1. VRF Communication Diagnostics

2 Purpose

The purpose of the ICN RRX → VRF Data Path diagnostic is to test the data path between the VRF and the RRX.

3 Components Tested

The data path between the VRF and RRX.

4 Requirements

No special requirements.

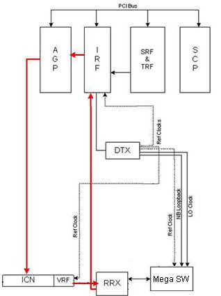
5 Block Diagrams

Figure 2. RRX → VRF Data Path

note:

The bold arrow lines indicate which data path is being tested.

6 Test Sequence

  1. Select the ICN RRX→VRF Datapath diagnostic from the VRF Communication Diagnostics screen.

  2. Click Run.

  3. Ensure that the data path passes the diagnostic by reviewing the status in the Test Results table.

7 Expected Results

This diagnostic has either a passed or failed status. If the diagnostic has failed, please review the error log and corresponding extended error messages for subsequent actions. Additional responses to the diagnostic's failed result are outlined in Table 1.

8 Links