- Optima MR450w BASE 1.5T System Service Methods
- 5690012-2EN Revision 3
- 00000018WIA30F11F20GYZ
- id_131071233.0
- Aug 29, 2019 1:57:23 AM
T/R Quad Extremity Coil Parts
Overview
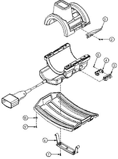
This document identifies field replaceable units and additional accessories for the Invivo T/R Quad Extremity Coil.
Field Replaceable Units
| Item | Description | GE Part Number | Supplier Part Number |
| 1.5T | |||
| 1 | HD T/R Quad Extremity Assembly with Cable | 5147225-2 | 870323 |
| 2 | HD T/R Quad Extremity Coil Cable Assembly | 5147225-6 | 870290 |
| 3 | Coil Repair Kit (Table 2) | 2357819-10 | 14234 |

Additional Accessories
| Item | Quantity | Description | Supplier Part Number |
| 1 | 2 | Draw Latch | 20074P2 |
| 2 | 4 | No. 6-32 x 0.438 FHMS, Brass Screws | 20117P25 |
| 3 | 2 | Handle, Coil Lock | 19711P1 |
| 4 | 2 | Cover, Lock Handle | 19712P1 |
| 5 | 4 | No. 4-40 x 0.375 PHMS, Brass Screws | 20136P2 |
| 6 | 1 | T-Bracket | 19713P1 |
| 7 | 3 | No. 10-32 x 0.375 PHMS, Brass Screws | 20136P14 |
| 8 | 4 | Rubber Bumper | 19727 |
| 9 | 4 | No. 6-32 x 0.50 PHMS, Brass Screws | 20136P6 |

The part number’s Revision will be the last digit and replace the * (asterisk).
