• Topic ID: id_17422982
  • Version: 2.0
  • Date: Mar 6, 2020 10:01:32 PM

TGPG Power Supply Replacement

Prerequisites

Overview

This procedure defines the steps necessary to replace the TGPG power supply behind the TGPG board assembly.

Procedure

  1. Remove gantry right side cover.

    Refer to Parts Replacement > Gantry > Enclosure > (Cover Removal Procedures).

  2. Turn OFF the Axial Drive, HVDC and 120 VAC switches on the gantry’s Service Switch Panel.
  3. Remove the gantry left side cover, top covers and front cover.
  4. The power supply is located above the tilt potentiometer assembly (see Figure 1.)

    Figure 1. Power Supply Location

  5. Disconnect the power leads from the power supply.

    Figure 2. Power Leads of the Power Supply

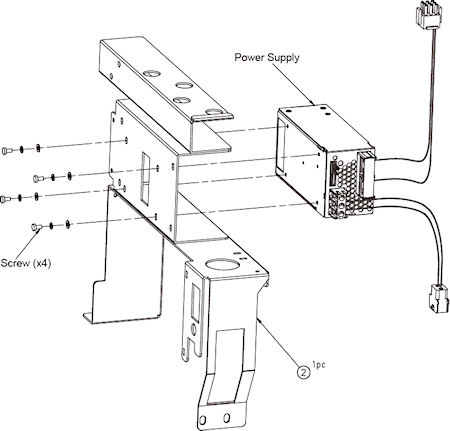
  6. Remove the 4 screws that hold the power supply and bracket (see )Figure 3.

    Figure 3. Power Supply Screw Locations

  7. Remove the defective power supply.
  8. Install the new power supply to the bracket using the 4 screws removed from the old power supply.
  9. Reconnect the power leads to the power supply (see Figure 2).

Finalization

  1. Turn ON the gantry 120 VAC service switch, press the e-stop reset button on the lower right of the service switch panel and power up the console.
  2. Check and Adjust the power supply voltages as follows. Reference Figure 4 for test point location and Figure 5 for adjustment screw location.
    1. Using a voltmeter check the voltage between TP16 and TP17 on the TGPG. Adjust screw to have 24V +/- 0.2V.
    2. -

    Figure 4. TGPG Test Point location

    Figure 5. Adjustment screws (Top of supply)

  3. Install the gantry rear cover, top covers and left side cover.

    Refer to Parts Replacement > Gantry > Enclosure > (Cover Procedures).

  4. Enable 120 VAC HVDC and Axial Drive service switches from the service switch panel. Press the E-stop reset enable button on the lower right corner of the service switch panel.
  5. Install the gantry right side cover.
  6. Perform a System Scanning Test from the Functional Checks menu of the service manual to ensure system operation.