- Topic ID: id_16157746
- Version: 1.0
- Date: Jul 7, 2018 4:29:30 PM
ORP Board Theory
1 FPGA
The FPGA on the ORP board performs major functions of the board.
This FPGA has the following functions:
-
LSCOM control
-
Chip selection
-
Store of Revision No.
-
I/O gate
-
Output register
-
Status register
-
Interrupt control
-
X-ray control
Some of the functions above are described below:
LSCOM Control:
The ORP processor communicates with the TGP board via this FPGA and slip rings. The LSCOM has the encoding/decoding function of serial signal, and transmits/receives data in virtual ethernet environment, and a hardware signal (EXP_ENBL) between ORP and TGP.
Revision No.:
The FPGA stores the part No., variation No., and revision No. of the ORP board.
X-ray Control:
The FPGA controls gates for DAS_TRIG and EXPCMD signals.
2 Watchdog Circuits
The ORP board has a watchdog timer function. The watchdog deters uncontrolled run of firmware, if it took place.
3 Interfaces
3.1 Communication
3.1.1 Ethernet
Although the ORP has an Ethernet Controller chip, this is used for development only.
3.1.2 CAN (Controller Area Network)
The ORP board has two CAN channels: CAN1 and CAN2. CAN1 is used for connection of the DCB and CCB, while CAN2 is used for connection of the Jedi generator.
3.1.3 LSCOM (Low Speed Communication) via Slip Rings
LSCOM is the communication way between ORP and TGP via slip rings. It uses three signals: SER_SREF (reference signal), SER_OUTBOUND (transmit signal), and SER_INBOUND (receive signal).
The LSCOM interface needs an isolated +/- 5Vdc bipolar power supply to power the driver/receiver circuits. In addition, optical isolation is maintained between the slip rings and the ORP logic circuits.
3.1.4 EXP_ENBL Signal via Slip Ring
The ORP board receives EXP_ENBL signal from the TGP board via a slip ring for interrupting EXPCMD signal to JEDI.
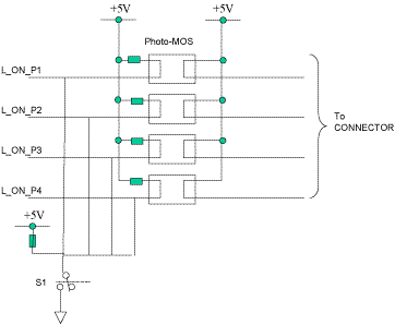
3.2 Alignment Lights
The ORP board provides +5Vdc power to the alignment lights. As shown in Figure 1, the OPR provides four control lines which are independent of among others, allowing, for example, extinguishing three lights and switching on only one light.
Figure 1. Alignment Light Control

3.3 Voltage Monitoring
The ORP provides an A/D interface for monitoring the on-board regulated power supplies: +12V (for RCIB1 and RCIB2) / +5V (for logic circuits).
3.4 Thermal Sensor
The ORP CPU receives signals from thermal sensors: one (LM35DM) is located on the board itself, and the other (LM35DP) is located outside the board.
-
Temperature measurement range: 2 - 55.0 degrees C
-
Accuracy: +/- 1.5 degree C
The signals are converted to digital data by the CPU built-in A/D converter.