- Topic ID: id_18480252
- Version: 4.0
- Date: Jan 20, 2020 8:34:17 PM
TGPHD Power Supply Replacement
Prerequisites
Overview
This procedure defines the steps necessary to replace the TGPU power supply behind the TGPU board assembly.
Procedure
- Remove gantry right side cover.
Refer to
- Stop the rotor of X-ray tube in case of Liquid Bearing Tube before HVDC off. Refer to Liquid Bearing Tube Rotor stop procedure for details.
- Turn OFF the Axial Drive, HVDC and 120 VAC switches on the gantry’s Service Switch Panel.
- Remove the gantry left side cover, top covers and front cover.
- The power supply is located above the tilt potentiometer assembly
(see Figure 1.)
Figure 1. Power Supply Location

- Disconnect the power leads from the power supply.
Figure 2. Power Leads of the Power Supply

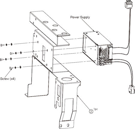
- Remove the 4 screws that hold the power supply and bracket (see
)Figure 3.
Figure 3. Power Supply Screw Locations

- Remove the defective power supply.
- Install the new power supply to the bracket using the 4 screws removed from the old power supply.
- Reconnect the power leads to the power supply (see Figure 2).
Finalization
- Turn ON the gantry 120 VAC service switch, press the e-stop reset button on the lower right of the service switch panel and power up the console.
- Check and Adjust the power supply voltages as follows. Reference Figure 4 for test point
location and Figure 5 for adjustment screw location.
- Using a voltmeter check the voltage between TP16 and TP17 on the TGPHD. Adjust screw to have 24V +/- 0.2V.
- -
Figure 4. TPGU Test Point location

Figure 5. Adjustment screws (Top of supply)

- Install the gantry rear cover, top covers and left side cover.
Refer to
- Enable 120 VAC HVDC and Axial Drive service switches from the service switch panel. Press the table drives enable button on the lower right corner of the service switch panel.
- Install the gantry right side cover.
- Perform a System Scanning Test from the Functional Checks menu of the service manual to ensure system operation.