- Topic ID: id_15460515
- Version: 2.0
- Date: Nov 8, 2018 1:37:34 AM
VDARC Node Commands and Troubleshooting
1 Overview
This document provides manual commands for VDARC Node troubleshooting. Not every available command is listed. The first step is to verify communication between the Host and the VDARC Node. After verifying that the communication exists to the VDARC Node, VDIP diagnostics may be performed. Memory size is important and may be checked: however, exact memory values expected are not discussed as this memory size value may change over time and with different types of VDARC Nodes offered. It is currently (July, 2006) around 6 GBytes for Main memory.
Application software can be started to verify that Image Generation is running on each VIG Node present and configured in the Operator Console. The VDARC Node contains the software and hardware that controls the VIG Nodes. The Image Generation check assists by determining if the VIG Node(s) is up (as we determine up and ready for recon) and under VDARC Control. Refer to the Ethernet Diagrams to understand connections between Nodes. Refer to the command list to determine which commands can be performed.
It is important to understand that the VDARC Node may not boot up properly due to a Disk Array issue.
1.1 Video Cable
A VDARC / VIG Node Troubleshooting Video cable is shipped with every VCT Operator Console. Utilize this cable whenever attempting to troubleshoot the VDARC and VIG Nodes. The cable should not be connected at either end when the system is operating normally, since the video may take over the monitor and cause Customer confusion. Additionally, connecting only the Node end of the cable will result in EMC violations. Sometimes the VDARC Node requires a keyboard connection (such as pressing Enter to view VDARC output). It is permitted to use the Operator Console keyboard when troubleshooting the VDARC Node.
1.2 Repower Process
The VIG Nodes require a manual re-power process so each VIG Node present and configured (via LFC or a reconfig) can be initialized by the VDARC Node. The Application software should be down during VIG Node initialization. The VDARC must successfully remote shell from the Host (rsh darc). LAN LED activity should be verified on each VIG Node to ensure that an Ethernet communication between the VDARC and VIG Node is present. Then the front panel re-power sequence is performed for any VIG Nodes that have been swapped (physical Node swap, or one end of the Ethernet cable between the Nodes), installed, or are having issues. The user should wait for the VIG Nodes to successfully boot up. The user should then verify that each VIG Node can be communicated with via the VDARC Node (rsh ig#). If the remote shell to each VIG Node is successful, the user may decide to verify lhinv Main memory and perform vrac_flash_update, then the vrac_menu –a diagnostic tool.
1.3 Application Software
Application software may be started and Image Generation should be verified as running. Verify that the prompt returned for each rsh ig# is as expected. If the prompt is not correct it is usually a software issue with the VDARC Node, and a VDARC software reload is the first step to correct the issue. If image_generation is not running on a specific VIG Node, physically swap one end of the Ethernet cable and re-power the VIG Nodes with Application software down. If the issue follows the VIG Node, then a replacement VIG Node may be ordered. Always verify the part number on the replacement hardware upon receipt of a FRU. The labels on shipping boxes can be incorrect (a PAR looks just like a VIG Node but does not contain a vrac board).
1.4 Host Software
The Host software cannot be loaded (OS and Apps) after the VDARC software. If the Host software was started, the VDARC software must follow. Failure to perform procedures in the specified order may result in startup issues. In this case, the ssh (Security Shell) command from Host to VDARC will fail and Application software will not launch properly or may shutdown.
1.5 Document Updating
Updating documents in a timely manner is sometimes impossible. Always verify that all Service Packs or patches are loaded after any VDARC software reload. In the past, certain patches were specifically targeted to correct recon issues and they needed to be reloaded. The setdate command is performed during an LFC twice. Verify that the Host setdate time is entered from a reliable source (laptop) anytime it is updated.
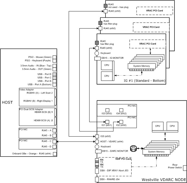
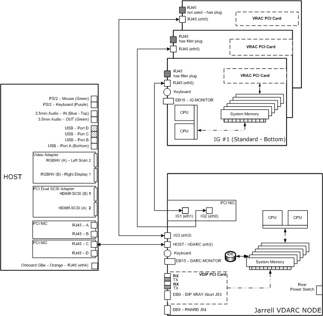
2 Ethernet Interconnect Diagrams
The following illustrations show the Ethernet connections between the various Nodes–Host, VDARC, and VIG. Two versions are provided and are specifically referenced to the particular VDARC Node version (Westville or Jarrell). The Westville VDARC Node rear panel has 6 Ethernet ports available for connection between the Host (1 port) and the VIG Nodes (5 ports available, although only 3 are used). The Jarrell VDARC Node rear panel has 4 Ethernet ports available for connection between the Host (1 port) and the VIG Nodes (3 ports). The VDARC Node Ethernet address associated with the Host or with each VIG Node is not the same specifically because the number of ports available for each VDARC Node version is different.
Figure 1. Westville VDARC Node Ethernet Interconnect Diagram

Figure 2. Jarrell VDARC Node Ethernet Interconnect Diagram

3 Command List
The following is a list of manual input commands.
4 VDARC Log File Discussion
In the following output, we can clearly see that the Jarrell VIG (referred to a virgin because it came from the vendor – not initialized) was installed into IG1 (eth1) and the IG1 came up and successfully ran vrac_flash_update. Then Apps is started and that process shows image_generation will be good.
Sep 29 00:49:35 darc in.tftpd[9011]: tftp: client does not accept options
This message will go away after several files are authenticated (authenticated mount request from ig#).
The “martian” messages are present because all Jarrell VIG’s are set to 172 base address – the same as the VDARC address. These messages will go away one the VIG is initialized (power cycle the VIG Node with VDARC up but Apps down) to the VDARC.
Sep 28 21:18:48 darc kernel: martian source 172.16.0.2 from 172.16.0.2, on dev eth1
This message will go away after several files are authenticated.
(authenticated mount request from ig#) Sep 29 00:49:35 darc in.tftpd[9011]: tftp: client does not accept options
The eth1 is finally initialized.
The link for eth1 goes up and down until it hits 1000 Mbps.
Then we get the DHCPACK.
Then the various files are loaded in: authenticated mount request from ig1
And the tftp client does not accept options message goes away because of prior message shown above.
The eth1 was finally initialized.
Then we see: started check of VRAC FLASH; argv=['ig1', 'ig2', 'ig3'].
And finally vrac_flash_update has completed successfully.
Sep 28 21:36:28 darc vrac_flash_update[9242]: FLASHed 3 of 3 IGs
Sep 28 21:36:28 darc vrac_flash_update[9242]: all IGs FLASHed
Apps is started up and all IG Nodes respond and report that recon control is up:
Sep 28 21:38:25 darc logger: is_IG_up 3 ig1 called
Sep 28 21:38:25 darc logger: is_IG_up 3 ig2 called
Sep 28 21:38:25 darc logger: is_IG_up 3 ig3 called
Sep 28 21:38:25 darc is_IG_up:[recon_control:10834]: ig1 is up
Sep 28 21:38:25 darc is_IG_up:[recon_control:10840]: ig3 is up
Sep 28 21:38:25 darc is_IG_up:[recon_control:10837]: ig2 is up
Example of a darc log
Sep 28 21:27:30 darc kernel: martian source 172.16.0.2 from 172.16.0.2, on dev eth1
Sep 28 21:27:30 darc kernel: ll header: ff:ff:ff:ff:ff:ff:00:04:23:de:26:10:08:06
Sep 28 21:27:34 darc kernel: e1000: eth1: e1000_watchdog_task: NIC Link is Down
Sep 28 21:31:05 darc kernel: e1000: eth1: e1000_watchdog_task: NIC Link is Up 100 Mbps Full Duplex
Sep 28 21:32:36 darc kernel: e1000: eth1: e1000_watchdog_task: NIC Link is Down
Sep 28 21:32:38 darc kernel: e1000: eth1: e1000_watchdog_task: NIC Link is Up 100 Mbps Full Duplex
Sep 28 21:32:53 darc kernel: e1000: eth1: e1000_watchdog_task: NIC Link is Down
Sep 28 21:32:54 darc kernel: e1000: eth1: e1000_watchdog_task: NIC Link is Up 100 Mbps Full Duplex
Sep 28 21:33:11 darc kernel: e1000: eth1: e1000_watchdog_task: NIC Link is Down
Sep 28 21:33:13 darc kernel: e1000: eth1: e1000_watchdog_task: NIC Link is Up 100 Mbps Full Duplex
Sep 28 21:33:15 darc kernel: e1000: eth1: e1000_watchdog_task: NIC Link is Down
Sep 28 21:33:19 darc kernel: e1000: eth1: e1000_watchdog_task: NIC Link is Up 1000 Mbps Full Duplex
Sep 28 21:33:26 darc dhcpd: DHCPDISCOVER from 00:0e:0c:9f:36:52 via eth1
Sep 28 21:33:27 darc dhcpd: DHCPOFFER on 10.0.1.2 to 00:0e:0c:9f:36:52 via eth1
Sep 28 21:33:28 darc dhcpd: DHCPREQUEST for 10.0.1.2 (10.0.1.1) from 00:0e:0c:9f:36:52 via eth1
Sep 28 21:33:28 darc dhcpd: DHCPACK on 10.0.1.2 to 00:0e:0c:9f:36:52 via eth1
Sep 29 01:33:28 darc in.tftpd[9204]: tftp: client does not accept options
Sep 28 21:33:38 darc kernel: e1000: eth1: e1000_watchdog_task: NIC Link is Down
**
Sep 28 21:33:40 darc kernel: e1000: eth1: e1000_watchdog_task: NIC Link is Up 1000 Mbps Full Duplex
Sep 28 21:33:44 darc dhcpd: DHCPDISCOVER from 00:0e:0c:9f:36:52 via eth1
Sep 28 21:33:44 darc dhcpd: DHCPOFFER on 10.0.1.2 to 00:0e:0c:9f:36:52 via eth1
Sep 28 21:33:44 darc dhcpd: DHCPDISCOVER from 00:0e:0c:9f:36:52 via eth1
Sep 28 21:33:44 darc dhcpd: DHCPOFFER on 10.0.1.2 to 00:0e:0c:9f:36:52 via eth1
Sep 28 21:33:44 darc dhcpd: DHCPREQUEST for 10.0.1.2 (10.0.1.1) from 00:0e:0c:9f:36:52 via eth1
Sep 28 21:33:44 darc dhcpd: DHCPACK on 10.0.1.2 to 00:0e:0c:9f:36:52 via eth1
**
Sep 28 21:33:44 darc mountd[3293]: authenticated mount request from ig1:1005 for /tftpboot/root/ig1 (/tftpboot/root/ig1)
Sep 28 21:33:44 darc mountd[3293]: authenticated mount request from ig1:1010 for /bin (/bin)
Sep 28 21:33:44 darc mountd[3293]: authenticated mount request from ig1:1011 for /sbin (/sbin)
Sep 28 21:33:44 darc mountd[3293]: authenticated mount request from ig1:1012 for /lib (/lib)
Sep 28 21:33:44 darc mountd[3293]: authenticated mount request from ig1:1013 for /usr (/usr)
Sep 28 21:34:02 darc mountd[3293]: authenticated mount request from ig1:846 for /usr/g (/usr/g)
Sep 28 21:35:55 darc pam_rhosts_auth[9225]: allowed to ctuser@oc as ctuser
Sep 28 21:35:55 darc rsh(pam_unix)[9225]: session opened for user ctuser by (uid=0)
**
Sep 28 21:35:57 darc vrac_flash_update[9242]: started check of VRAC FLASH; argv=['ig1', 'ig2', 'ig3']
Sep 28 21:35:58 darc vrac_flash_update[9242]: ig1: IPMI status 0
Sep 28 21:35:58 darc vrac_flash_update[9242]: ig1: set SOL baud rate to 57600
Sep 28 21:35:59 darc vrac_flash_update[9242]: checking/updating FLASH ig1
Sep 28 21:36:03 darc vrac_flash_update[9242]: ig1:
Sep 28 21:36:03 darc vrac_flash_update[9242]: ig1: *** num loads = 3
Sep 28 21:36:03 darc vrac_flash_update[9242]: ig1: *** region size = 0x140000
Sep 28 21:36:03 darc vrac_flash_update[9242]: ig1:
Sep 28 21:36:03 darc vrac_flash_update[9242]: ig1: VRAC_FLASH_IMAGE_SIZE=0x140000
Sep 28 21:36:03 darc vrac_flash_update[9242]: ig1: Board ID: 2395084 G
Sep 28 21:36:03 darc vrac_flash_update[9242]: ig1: File contains VRAC1 bpp 355
Sep 28 21:36:03 darc vrac_flash_update[9242]: ig1: File contains VRAC1 pbc 452
Sep 28 21:36:03 darc vrac_flash_update[9242]: ig1: File contains VRAC1 image
Sep 28 21:36:03 darc vrac_flash_update[9242]: ig1: done reading file '/etc/vrac.elf'
Sep 28 21:36:03 darc vrac_flash_update[9242]: ig1: bank 0 checksum okay
Sep 28 21:36:03 darc vrac_flash_update[9242]: ig1: bank 1 checksum okay
Sep 28 21:36:03 darc vrac_flash_update[9242]: ig1: checking 2621440 bytes starting at region 0
Sep 28 21:36:03 darc vrac_flash_update[9242]: ig1: FLASH image already matches the input file
Sep 28 21:36:03 darc vrac_flash_update[9242]: ig1: status=0
Sep 28 21:36:07 darc vrac_flash_update[9242]: ig1:
Sep 28 21:36:07 darc vrac_flash_update[9242]: ig1: *** num loads = 3
Sep 28 21:36:07 darc vrac_flash_update[9242]: ig1: *** region size = 0x140000
Sep 28 21:36:07 darc vrac_flash_update[9242]: ig1:
Sep 28 21:36:07 darc vrac_flash_update[9242]: ig1: VRAC_FLASH_IMAGE_SIZE=0x140000
Sep 28 21:36:07 darc vrac_flash_update[9242]: ig1: Board ID: 2395084 G
Sep 28 21:36:07 darc vrac_flash_update[9242]: ig1: File contains VRAC1 pbc 2002
Sep 28 21:36:07 darc vrac_flash_update[9242]: ig1: File contains VRAC1 bpp 2004
Sep 28 21:36:07 darc vrac_flash_update[9242]: ig1: File contains VRAC1 image
Sep 28 21:36:07 darc vrac_flash_update[9242]: ig1: done reading file '/etc/vrac_thin.elf'
Sep 28 21:36:07 darc vrac_flash_update[9242]: ig1: bank 0 checksum okay
Sep 28 21:36:07 darc vrac_flash_update[9242]: ig1: bank 1 checksum okay
Sep 28 21:36:07 darc vrac_flash_update[9242]: ig1: checking 2621440 bytes starting at region 2
Sep 28 21:36:07 darc vrac_flash_update[9242]: ig1: FLASH image already matches the input file
Sep 28 21:36:07 darc vrac_flash_update[9242]: ig1: status=0
Sep 28 21:36:08 darc vrac_flash_update[9242]: ig2: IPMI status 0
Sep 28 21:36:09 darc vrac_flash_update[9242]: ig2: set SOL baud rate to 57600
Sep 28 21:36:10 darc vrac_flash_update[9242]: checking/updating FLASH ig2
Sep 28 21:36:14 darc vrac_flash_update[9242]: ig2:
Sep 28 21:36:14 darc vrac_flash_update[9242]: ig2: *** num loads = 3
Sep 28 21:36:14 darc vrac_flash_update[9242]: ig2: *** region size = 0x140000
Sep 28 21:36:14 darc vrac_flash_update[9242]: ig2:
Sep 28 21:36:14 darc vrac_flash_update[9242]: ig2: VRAC_FLASH_IMAGE_SIZE=0x140000
Sep 28 21:36:14 darc vrac_flash_update[9242]: ig2: Board ID: 2395084 G
Sep 28 21:36:14 darc vrac_flash_update[9242]: ig2: File contains VRAC1 bpp 355
Sep 28 21:36:14 darc vrac_flash_update[9242]: ig2: File contains VRAC1 pbc 452
Sep 28 21:36:14 darc vrac_flash_update[9242]: ig2: File contains VRAC1 image
Sep 28 21:36:14 darc vrac_flash_update[9242]: ig2: done reading file '/etc/vrac.elf'
Sep 28 21:36:14 darc vrac_flash_update[9242]: ig2: bank 0 checksum okay
Sep 28 21:36:14 darc vrac_flash_update[9242]: ig2: bank 1 checksum okay
Sep 28 21:36:14 darc vrac_flash_update[9242]: ig2: checking 2621440 bytes starting at region 0
Sep 28 21:36:14 darc vrac_flash_update[9242]: ig2: FLASH image already matches the input file
Sep 28 21:36:14 darc vrac_flash_update[9242]: ig2: status=0
Sep 28 21:36:18 darc vrac_flash_update[9242]: ig2:
Sep 28 21:36:18 darc vrac_flash_update[9242]: ig2: *** num loads = 3
Sep 28 21:36:18 darc vrac_flash_update[9242]: ig2: *** region size = 0x140000
Sep 28 21:36:18 darc vrac_flash_update[9242]: ig2:
Sep 28 21:36:18 darc vrac_flash_update[9242]: ig2: VRAC_FLASH_IMAGE_SIZE=0x140000
Sep 28 21:36:18 darc vrac_flash_update[9242]: ig2: Board ID: 2395084 G
Sep 28 21:36:18 darc vrac_flash_update[9242]: ig2: File contains VRAC1 pbc 2002
Sep 28 21:36:18 darc vrac_flash_update[9242]: ig2: File contains VRAC1 bpp 2004
Sep 28 21:36:18 darc vrac_flash_update[9242]: ig2: File contains VRAC1 image
Sep 28 21:36:18 darc vrac_flash_update[9242]: ig2: done reading file '/etc/vrac_thin.elf'
Sep 28 21:36:18 darc vrac_flash_update[9242]: ig2: bank 0 checksum okay
Sep 28 21:36:18 darc vrac_flash_update[9242]: ig2: bank 1 checksum okay
Sep 28 21:36:18 darc vrac_flash_update[9242]: ig2: checking 2621440 bytes starting at region 2
Sep 28 21:36:18 darc vrac_flash_update[9242]: ig2: FLASH image already matches the input file
Sep 28 21:36:18 darc vrac_flash_update[9242]: ig2: status=0
Sep 28 21:36:18 darc vrac_flash_update[9242]: ig3: IPMI status 0
Sep 28 21:36:19 darc vrac_flash_update[9242]: ig3: set SOL baud rate to 57600
Sep 28 21:36:20 darc vrac_flash_update[9242]: checking/updating FLASH ig3
Sep 28 21:36:24 darc vrac_flash_update[9242]: ig3:
Sep 28 21:36:24 darc vrac_flash_update[9242]: ig3: *** num loads = 3
Sep 28 21:36:24 darc vrac_flash_update[9242]: ig3: *** region size = 0x140000
Sep 28 21:36:24 darc vrac_flash_update[9242]: ig3:
Sep 28 21:36:24 darc vrac_flash_update[9242]: ig3: VRAC_FLASH_IMAGE_SIZE=0x140000
Sep 28 21:36:24 darc vrac_flash_update[9242]: ig3: Board ID: 2395084 G
Sep 28 21:36:24 darc vrac_flash_update[9242]: ig3: File contains VRAC1 bpp 355
Sep 28 21:36:24 darc vrac_flash_update[9242]: ig3: File contains VRAC1 pbc 452
Sep 28 21:36:24 darc vrac_flash_update[9242]: ig3: File contains VRAC1 image
Sep 28 21:36:24 darc vrac_flash_update[9242]: ig3: done reading file '/etc/vrac.elf'
Sep 28 21:36:24 darc vrac_flash_update[9242]: ig3: bank 0 checksum okay
Sep 28 21:36:24 darc vrac_flash_update[9242]: ig3: bank 1 checksum okay
Sep 28 21:36:24 darc vrac_flash_update[9242]: ig3: checking 2621440 bytes starting at region 0
Sep 28 21:36:24 darc vrac_flash_update[9242]: ig3: FLASH image already matches the input file
Sep 28 21:36:24 darc vrac_flash_update[9242]: ig3: status=0
Sep 28 21:36:28 darc vrac_flash_update[9242]: ig3:
Sep 28 21:36:28 darc vrac_flash_update[9242]: ig3: *** num loads = 3
Sep 28 21:36:28 darc vrac_flash_update[9242]: ig3: *** region size = 0x140000
Sep 28 21:36:28 darc vrac_flash_update[9242]: ig3:
Sep 28 21:36:28 darc vrac_flash_update[9242]: ig3: VRAC_FLASH_IMAGE_SIZE=0x140000
Sep 28 21:36:28 darc vrac_flash_update[9242]: ig3: Board ID: 2395084 G
Sep 28 21:36:28 darc vrac_flash_update[9242]: ig3: File contains VRAC1 pbc 2002
Sep 28 21:36:28 darc vrac_flash_update[9242]: ig3: File contains VRAC1 bpp 2004
Sep 28 21:36:28 darc vrac_flash_update[9242]: ig3: File contains VRAC1 image
Sep 28 21:36:28 darc vrac_flash_update[9242]: ig3: done reading file '/etc/vrac_thin.elf'
Sep 28 21:36:28 darc vrac_flash_update[9242]: ig3: bank 0 checksum okay
Sep 28 21:36:28 darc vrac_flash_update[9242]: ig3: bank 1 checksum okay
Sep 28 21:36:28 darc vrac_flash_update[9242]: ig3: checking 2621440 bytes starting at region 2
Sep 28 21:36:28 darc vrac_flash_update[9242]: ig3: FLASH image already matches the input file
Sep 28 21:36:28 darc vrac_flash_update[9242]: ig3: status=0
Sep 28 21:36:28 darc vrac_flash_update[9242]: FLASHed 3 of 3 IGs
Sep 28 21:36:28 darc vrac_flash_update[9242]: all IGs FLASHed
A bit later at 9:38 PM we see:
Sep 28 21:38:25 darc logger: is_IG_up 3 ig1 called
Sep 28 21:38:25 darc logger: is_IG_up 3 ig2 called
Sep 28 21:38:25 darc logger: is_IG_up 3 ig3 called
Sep 28 21:38:25 darc is_IG_up:[recon_control:10834]: ig1 is up
Sep 28 21:38:25 darc is_IG_up:[recon_control:10840]: ig3 is up
Sep 28 21:38:25 darc is_IG_up:[recon_control:10837]: ig2 is up
Almost an hour has passed and the console is being shutdown.
After talking to Thony the site FE:
Here it looks to me like the user shutdown and probably removed the Jarrell VIG Node from IG1 position and replaced the intermittent Westville VIG Node into (eth1) lowest slot 1!!!
Then restarted and brought the console UP.
Sep 28 22:22:10 darc darc_init: terminated on signal 15
Sep 28 22:22:15 darc shutdown: shutting down for system halt
Sep 28 22:22:17 darc igpower2: ##### IGPOWER2 #####
Sep 28 22:22:18 darc igpower: ig2 Chassis Power Control: Down/Off
Sep 28 22:22:22 darc kernel: e1000: eth0: e1000_watchdog_task: NIC Link is Down
Sep 28 22:22:24 darc kernel: e1000: eth0: e1000_watchdog_task: NIC Link is Up 100 Mbps Full Duplex
Sep 28 22:22:26 darc igpower: ig2 Chassis Power is Off
Sep 28 22:22:26 darc igpower3: ##### IGPOWER3 #####
Sep 28 22:22:26 darc igpower: ig3 Chassis Power Control: Down/Off
Sep 28 22:22:31 darc kernel: e1000: eth3: e1000_watchdog_task: NIC Link is Down
Sep 28 22:22:32 darc kernel: e1000: eth3: e1000_watchdog_task: NIC Link is Up 100 Mbps Full Duplex
Sep 28 22:22:34 darc igpower: ig3 Chassis Power is Off
Sep 28 23:08:30 darc syslogd 1.4.1: restart.
Sep 28 23:08:33 darc kernel: e1000: eth0: e1000_watchdog_task: NIC Link is Up 100 Mbps Full Duplex
Sep 28 23:08:33 darc kernel: e1000: eth1: e1000_watchdog_task: NIC Link is Up 100 Mbps Full Duplex
Sep 28 23:08:33 darc kernel: e1000: eth3: e1000_watchdog_task: NIC Link is Up 100 Mbps Full Duplex
Sep 28 23:08:33 darc kernel: e1000: eth4: e1000_watchdog_task: NIC Link is Up 1000 Mbps Full Duplex
Sep 28 23:08:35 darc igpower: ig1 Chassis Power is Off
Sep 28 23:08:36 darc igpower: ig1 Chassis Power Control: Up/On
Sep 28 23:08:37 darc kernel: e1000: eth1: e1000_watchdog_task: NIC Link is Down
Sep 28 23:08:39 darc kernel: e1000: eth1: e1000_watchdog_task: NIC Link is Up 100 Mbps Full Duplex
Sep 28 23:08:40 darc igpower: ig1 Chassis Power is On
Sep 28 23:08:40 darc igpower2: ##### IGPOWER2 #####
Sep 28 23:08:41 darc igpower: ig2 Chassis Power is Off
Sep 28 23:08:42 darc igpower: ig2 Chassis Power Control: Up/On
Sep 28 23:08:43 darc kernel: e1000: eth0: e1000_watchdog_task: NIC Link is Down
Sep 28 23:08:44 darc kernel: e1000: eth0: e1000_watchdog_task: NIC Link is Up 100 Mbps Full Duplex
Sep 28 23:08:45 darc igpower: ig2 Chassis Power is On
Sep 28 23:08:46 darc igpower3: ##### IGPOWER3 #####
Sep 28 23:08:47 darc igpower: ig3 Chassis Power is Off
Sep 28 23:08:48 darc igpower: ig3 Chassis Power Control: Up/On
Sep 28 23:08:49 darc kernel: e1000: eth3: e1000_watchdog_task: NIC Link is Down
Sep 28 23:08:50 darc kernel: e1000: eth3: e1000_watchdog_task: NIC Link is Up 100 Mbps Full Duplex
Sep 28 23:08:51 darc igpower: ig3 Chassis Power is On
Looks like Apps start up is mounting md0 disk array:
Sep 28 23:09:03 darc kernel: XFS mounting filesystem md0
Still later:
Sep 28 23:10:18 darc logger: is_IG_up 3 ig1 called
Sep 28 23:10:18 darc logger: is_IG_up 3 ig2 called
Sep 28 23:10:18 darc logger: is_IG_up 3 ig3 called
Sep 28 23:10:21 darc is_IG_up:[recon_control:7975]: ig2 is up
Sep 28 23:10:21 darc is_IG_up:[recon_control:7972]: ig1 is up
Sep 28 23:10:21 darc is_IG_up:[recon_control:7978]: ig3 is up
And that pretty much ends this log file – system sat idle!
5 IPMITOOL
The ipmitool should be available (without the need to activate it manually) on all CT / PET systems. The ipmitool command allows the user to look at the DARC Node using the Ethernet Cable from the Host to the DARC Node, but does not utilize the NIC. The ipmitool command requirements are that the:
-
AC Line-in Power Cord be connected and good.
-
Rear-panel DARC Node power switch be turned on.
-
Ethernet Cable between the Host and DARC Node be good and be properly connected in the correct ports.
To turn on the ipmitool:
[root@hostname]# cd /usr/g/DARC_RPM
[root@hostname]# ls
ipmitool-1.8.2-1.rhel3.i386.rpm
Type the following command up to and including replacesfiles and the spacebar. Then copy and paste the latest version of the ipmitool version command, as shown. The ipmitool version command contains the number one and the lower case letter L which can be easy misread.
[root@hostname] # rpm -i -U --nodeps --hash --replacefiles ipmitool-1.8.2-1.rhel3.i386.rpm
Then ipmitool will display output that it has installed, or it may already have been installed and will display an output.
########################################### [100%]
package ipmitool-1.8.2-1.rhel3 is already installed
5.1 Sensor State
The following example (Figure 3) shows the current sensor state (in/out of spec) of the host described by the "-H" option. The sensors –v command has been replaced due to garbled output in 07MWxx.x software.
Figure 3. Current Sensor State of the Host Described by the "-H" Option

5.2 Chassis Power Status
The following example (Figure 4) shows the current chassis power status or state of the host described by the "-H" option with 07MWxx.x software.
Figure 4. Current Chassis Power Status or State of the Host Described by the "-H" Option

[root@hostname]# rsh darc
Last login: Mon Aug 6 19:35:00 from oc
You have new mail.
[root@darc ~]# ipmitool -I lan -H ig1 -A NONE chassis power status
Chassis Power is on
[root@darc ~]# ipmitool -I lan -H ig1 -A NONE chassis power status
Chassis Power is off
[root@darc ~]# service igpower1 start
Starting ig1: [ OK ]
To remove power to the chassis, perform the following command:
[root@darc ~]# service igpower1 stop
Stopping ig1: [ OK ]
5.3 System Event Log
The following example (Figure 5) shows the current System Event Log (lots of noise!) of the host described by the "-H" option with 07MWxx.x software and the command to select a record ID.
Figure 5. Current System Event Log of the Host Described by the "-H" Option

6 VDARC Node DPCPROXY SERVER and CLISERVICE
{ctuser@hostname} su -
Password: <password>
[root@hostname]# telnet localhost 623
Trying 127.0.0.1...
Failed to connect to localhost.
[root@hostname]# rsh darc
Last login: Mon Aug 6 19:35:00 from oc
You have new mail.
[root@darc ~]# ps -aef |grep dpcproxy
root 3836 3817 0 15:07 pts/10 00:00:00 grep dpcproxy
If the /usr/local/cli/dpcproxy information is not displayed then restart the cliservice. .
Alternate command: ps -aef | grep –v grep | grep dpcproxy
When this command is performed (ignore grep) then there will not be any output at all if the dpcproxy server is not running
[root@hostname]# service cliservice start
The dpcproxy is running
dpcproxy cliservice has been restarted
[root@hostname]# ps -aef |grep dpcproxy
root 2891 1 0 14:51 ? 00:00:00 /usr/local/cli/dpcproxy
root 3836 3817 0 15:07 pts/10 00:00:00 grep dpcproxy
7 dmidecode Command
Password: <password>
[root@hostname]# telnet localhost 623
[root@darc ~]# rsh darc
Last login: Mon Aug 6 19:35:00 from oc
You have new mail.
[root@darc ~]# dmidecode | grep -i version
Version: SWV25.86B.0218.P28.0405111912 (example ONLY)
[root@darc ~]# rsh ig1
(ignore the following messages)
connect to address 10.0.1.2: Connection refused
Trying krb4 rlogin...
connect to address 10.0.1.2: Connection refused
trying normal rlogin (/usr/bin/rlogin)
Last login: Mon Aug 6 19:35:00 from darc
[root@ig1 ~]# dmidecode | grep -i version
Version: SWV25.86B.0218.P28.0405111912 (example ONLY)
[root@ig1 ~]# exit
logout
rlogin: connection closed.
[root@darc ~]# exit
logout
rlogin: connection closed.