• Topic ID: id_18718198
  • Version: 2.0
  • Date: Sep 26, 2020 10:13:12 PM

HP xw8600 Host Computer Power Supply Replacement

Prerequisites

Overview

1 Power OFF (Shut Down) the Console

Procedure

  1. If Applications are up, click on the Shut Down button.
  2. Power OFF the Operator Console front switch, when instructed to “Power Down”.
  3. Remove left side console cover.
  4. Remove console rear panel to access host computer rear panel.
  5. Disconnect cables from host computer rear panel.
  6. Remove and retain the four (4) front mounting screws.
  7. Slide out the HP Host Computer module.

2 Remove Old Power Supply

Procedure

  1. Remove the side access panel.
  2. Write down the numbers on the cables to easily reconnect the cables to the correct devices.
  3. Disconnect power supply cables from the system board, drives, and cards.
  4. Remove the four screws from the host computer back panel. Refer to Figure 1

    Figure 1. Remove Power Supply

  5. Slide the power supply toward the front of the chassis, and then lift it out of the chassis.

3 Install New Power Supply

To replace the power supply, reverse the steps in the previous section.

4 Power connections to system components

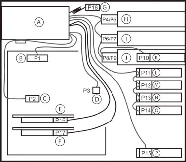
For help with identifying power cables, see below illustration and Table . Ensure that all cables are routed or tied so they cannot interfere with the processor heatsink fans.

Figure 2. Identifying the workstation power connectors for a typical configuration

5 Finalization

Procedure

  1. Take some scans, verify the image(s) reconstruct and are displayed.
  2. Reassembly host and console.